查看完整案例

收藏

下载
客厅颜色用了比较大气耐看的高级灰,为了不显得那么硬冷,用了明黄色作为提亮,感觉会温馨一些。
家就像是一个星系,每一个小空间、小细节,独立而又围绕着一个核心。
家,不仅仅是用来审美,肯定是包含着屋子主人对生活的一些想法
软木板照片墙,记录各个地方旅行随手拍下来的照片,每次驻足看的时候,心里总是很安静
阳台处吧台和书柜,打造一个下午茶的角落,不光有诗和远方还有阳光
闲来无事时,沏上一壶外出旅行买的当地茶叶。细细品味旅行中点点滴滴...
每次折腾完,走到哪里,最终还是会想回到这里来
要么走遍世界,要么宅在家里,也是一种美好。
养了很多绿植,是个 relax 的空间,晚上开了灯,还会有点小浪漫。
书柜里添加了灯带,一来比较方便找书籍,二来在旁边看书的时候也很有感觉,有种在书吧的 feel。
性冷淡黑白灰北欧风,加入一点复古的元素。「流苏」、「黄铜」、蜂蜜色的「油蜡皮」,打造了一点粗犷的北非摩洛哥风格的感觉。
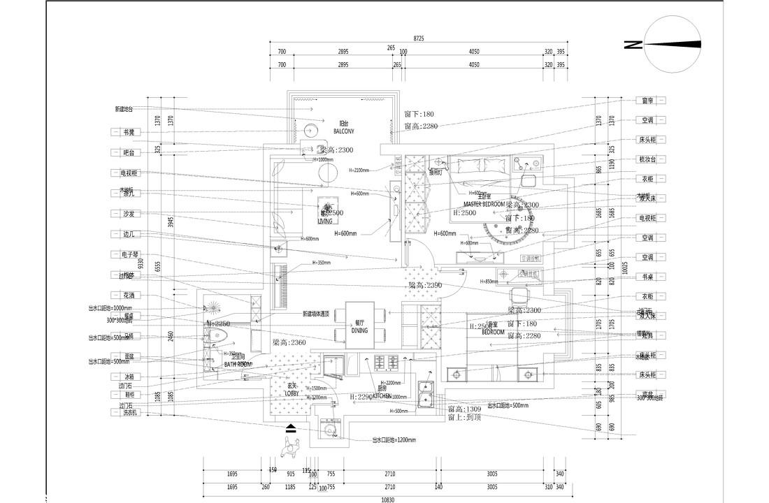
平面图
墙面挂饰是每次旅行淘的物件,家里有纪念意义的东西会越来越多,在家里也能读遍世界,走出去之后又很想念家。
卧室墙颜色是浅豆沙绿色,是不是很少女心的ins风
天秤座,颜值上赏心悦目,体验上舒适自由。对生活有自己的态度!
复刻油蜡皮蝴蝶椅
对经典蝴蝶椅的复刻致敬,
悬挂式椅面搭配简单椅架,
不仅舒适,更极具时代感。
House Doctor 黄铜几何花纹金属吊灯
黄铜色泽是北欧风的必备,
几何纹则为简约造型增添生活情趣。
参考售价:¥850
复刻版马鞍形铁艺杂志收纳架
铁材与西皮的组合,
造型经典,散发出复古与舒适味道。
参考售价:¥298
复刻油蜡皮蝴蝶椅
对经典蝴蝶椅的复刻致敬,
悬挂式椅面搭配简单椅架,
不仅舒适,更极具时代感。
参考售价:¥1780
客服
消息
收藏
下载
最近





















