查看完整案例

收藏

下载
"CONSTRUCTION"
将作为一个系列,分享FANAF在近几年项目中遇到有关特殊材料、构造做法、工程造价等相关经验。
Design sense you can only get after you make many mistakes and you learn what not to do and what way to progress.
设计感觉只有在你犯过很多错误以后才会找到,那时你就会知道什么不该做,怎样做才会进步。
——Jaya Ibrahim
Cementitious Self-leveling 水泥自流平
Flamingo Shanghai Office—The Attic / Neri&Hu
但经常项目落地后会遇到地面开裂、起灰、剥落等现象。
往往施工方会成为替罪羊,认为工人偷工减料,没有按照设计要求做。但说真的,设计师真的知道水泥自流平(水泥基自流平)的种类与施工工艺么?
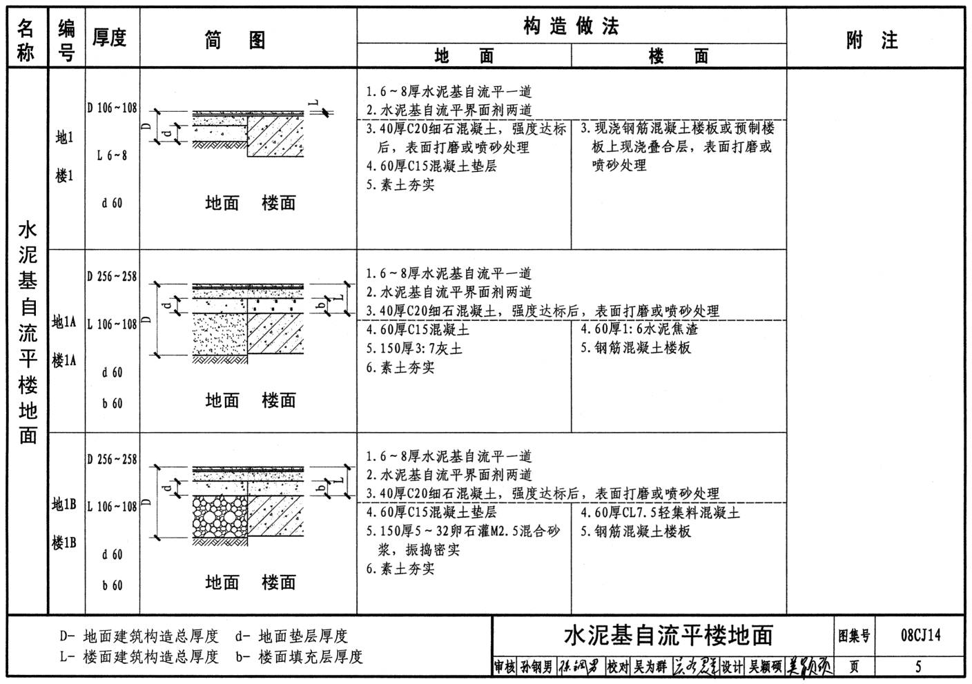
国家标准图集08CJ14中列举水泥自流平(水泥基自流平)的施工要求,但也相对较为简单,无法指导小型施工队和野路子施工队。
以下列举FANAF在项目中所遇到的几种“水泥自流平”......
“乡村版” 水泥自流平
人们以为的“又快捷,又文艺,又好做,又省钱”的地面,其实就是这种,村版水泥自流平,基本就是厚厚铺一层,大概5cm厚的水泥砂浆搅拌而成的水泥,铺好就打磨,硬度高,很便宜。
这种工艺,开裂、起灰、剥落应该是百分之百的事情,如果运气好,还能得到一朵小花花~
每平米造价在20-80元之间。
“正宗” 水泥自流平。
中艺建筑设计研究院办公室室内设计完成时间:2015年1月FANAF
MOTIVA健身房室内设计完成时间:2016年12月
FANAF
自流平水泥是一种技术环节比较复杂的环保产品。它是由多种活性成分组成的干混型粉状材料,现场拌水即可使用。稍经刮刀展开,即可获得高平整基面。
一、基层地面处理
1. 基层检查:全面彻底检查基层表面应无起砂、空鼓、起壳、脱皮、疏松、裂纹等缺陷,表面干燥度、平整度应符合要求
2. 基层清理及处理:用清洁剂去除基层上的油脂、蜡及其它污染物,表面的浮土,必须用真空吸尘器吸干净。建议采用专业研磨设备或者抛丸设备清理,彻底清除表面杂质并达到一定粗糙与平整度
。3. 基层问题修补,的蜂窝、孔洞等采用专用修补砂浆进行修补,对大面积空鼓应彻底剔除,重新施工;局部空鼓应采取灌浆或其它方法处理。对基层裂缝,应采取专项材料灌注、找平、密封
4. 要求基层必须坚固、密实,混凝土抗压强度不小于20Mpa,水泥砂浆抗压强度不小于15Mpa,否则,应采取补强处理或重新施工。对有防水防潮要求的地面,应预先在基层以下完成防水防潮层的施工
5. 伸缩缝处理:清吸伸缩缝,向伸缩缝内注入发泡胶,胶表面低于伸缩缝表面约20mm;然后涂刷界面剂,干燥后用拌好的自流平砂浆抹平堵严
水泥自流平地面清理
二、抄平设置控制点,设置分段条
1. 架设水准仪对将要进行施工地面抄平,检测其平整度;设置间距为1米的地面控制点
2. 设置分段条:在每次施工分界处先弹线,然后粘贴双面胶粘条(10*10mm);对于伸缩缝处粘贴宽的海绵条,为防止错位后面可用木方或方钢顶住
铺设网格布与涂刷界面剂
三、涂刷界面剂
1. 涂刷界面剂的目的是对基层封闭,防止自流平砂浆过早丧失水份,增强地面基层与自流平砂浆层的粘结强度,防止气泡的产生;改善自流平材料的流动性
2. 建议配套同一水泥自流平厂家推荐的界面剂,不要任意购买。
按照界面剂使用说明要求,用软刷子或底涂辊刷将稀释后的界面剂涂刷在基层上,涂刷要均匀、不遗漏,不得让其形成局部积液;对于干燥的、吸水能力强的基底要处理两遍,第二遍要在第一遍界面剂干燥后,方可涂刷。对于多孔表面,可以多涂刷一遍
3. 一般第一遍界面剂干燥时间约1~2小时,第二遍界面剂干燥时间约2~3小时
4. 确保界面剂完全干燥,无积存后,方可进行下一步施工
四、自流平水泥施工:1. 应事先分区以保证一次性连续浇注完整个区域
2. 用量水筒准确称量适量清水置于干净的搅拌桶内,开动电动搅拌器,徐徐加入整包自流平材料,持续均匀地搅拌3~5分钟,使之形成稠度均匀、无结块的流态浆体,静置2~3分钟,使自流平材料充分润湿,熟化,排除气泡后,再搅拌2~3分钟,使料浆成为均匀的糊状,并检查浆体的流动性能。加水量必须按自流平材料的要求严格控制
3. 将搅拌好的流态自流平材料在可施工时间内倾侧到基面上,任其象水一样流平开。应倾侧成条状,并确保现浇条与上一条能流态地融合在一起
4. 浇注的条状自流平材料应达到设计厚度。如果自流平施工厚度设计小于等于4mm,则需要使用自流平专用刮板进行批刮,辅助流平
5. 应连续浇注,两次浇注的间隔最好在10分钟以内,以免接茬难于消除
6. 料浆摊铺后,用带齿的刮板将料浆摊开并控制合适的厚度,静置3~5分钟,让里面包裹的气泡排出,再用消泡滚筒进行放气,以帮助浆料流动并清除所产生的气泡,达到良好的接茬效果
7. 在自流平初凝前,须穿钉鞋走入自流平地面迅速用消泡滚筒滚轧浇注过的自流平地面以排出搅拌时带入的空气,避免气泡、麻面及条与条之间的接口高差
8. 用过的工具和设备应及时用水清洗
施工钉鞋
五、地面养护:施工完的地面只需在施工条件下进行自然养护,应做好成品的保护,养护期间应避免阳光直射、强风气流等,一般24小时后即可上人行走,48小时后即可进行其它作业,铺设其他地面材料。• 小贴士:水泥自流平分:垫层水泥自流平和面层水泥自流平两种,在购买材料的时候一定要区分清楚。
当然,垫层水泥自流平也可以做面层使用,如果你需要那种流动愈合性能较差,追求“乡村自流平”多孔洞的“特殊效果”的话......
施工周期:5-7天
每平米造价在100-300元之间。
“升级版” 水泥自流平(水泥粉光/水泥收光)
汇特集团办公室室内设计完成时间:2016年12月
FANAF
水泥粉光是以水泥与砂按比例调配施作。水泥粉光为自然、透气材质,有毛细孔,且其表面的色泽深浅变化与镘刀痕迹,具有粗犷的美感,能打造出新旧交融的后现代风格空间这种是用干粉高光水泥兑清水一遍一遍抹出来的,有些情况下还会兑107建筑胶或801胶,大的裂缝一般不会有,小细缝肯定不能完全避免,用在地面的时候还要再刷水泥表面增强剂。
水泥粉光施工方法:1. 基层应坚实、干净、大致平整、无明水,基层强度应大于或接近高光水泥腻子的强度2. 吸水性强的基层应先用清水润湿或喷刷胶水进行封底处理后再刮腻子(稠度以适合施工为宜)3. 新抹灰的水泥地面应在养护期后(3-5天)再刮腻子
4. 按干粉高光水泥:水=1:0.5的比例搅拌均匀,静置10~20分钟再次搅拌均匀即可使用
5. 用钢刮板或抹刀按常规批刮,刮涂次数不可过多,通常批刮两次,第二次涂层在前涂层干透情况下方可施工
打磨抛光
6. 批刮厚度0.8~1.5mm,用量1~1.5kg/㎡,一般两遍成活
7. 腻子干后,用320#或240#砂纸进行打磨,尽快涂刷涂料或粘贴墙纸
8. 用量:在基层平整的情况下,每公斤干粉高光水泥大约可批0.8—1.2平方米(二批)的平整墙面
• 优点:1. 较容易实现,除了要求较高的打磨除尘环节,一般泥瓦工均可实施
2. 水泥粉光为自然、透气材质,有毛细孔,且其表面的色泽深浅变化与镘刀痕迹,具有粗犷的美感,能打造出新旧交融的后现代风格空间
3. 可以铺设地暖
• 缺点:1. 施工厚度较高底层就是普通水泥砂浆层,为了保证强度、减少空鼓,普通水泥不能低于 30mm(当然性能更好的水泥可以适当降低高度),并做好养护工作,一般养护 3~7天以上。如果进行机器打磨,除尘后需要检查是否有裂缝或潜在缺陷,及时处理
2. 开裂但这是水泥的特性之一,即使环氧树脂地坪也可能有此现象
3. 颜色单一,水泥本色,但如果你就喜欢这种质感,那就是件好事儿啦
• 小贴士:1. 有个别做法会在养护完毕涂刷固化剂,可以起到更好的加固作用,提高强度,降低开裂几率,避免起沙浮土,也方便做清洁打理,但也会增加亮度,变的高光。
2. 原地坪的接合环境、施工工艺、基层养护、固化处理、表面涂装都会导致开裂现象,不过一般的细纹大可忽略,这也是此种工艺的魅力之一
3. 水泥砂浆地面需要注意砂浆层厚度和强度,基层需干燥无明水,无浮尘或已做界面处理
施工周期:7-14天
每平米造价在120-250元之间。
“彩色” 水泥自流平(有机物自流平)
江宁织造博物馆文创商店室内设计完成时间:2016年12月
FANAF
长发中心住宅室内设计完成时间:2015年12月
FANAF
水泥面容易起灰,颜色均匀度不可控,为了防止这个问题,在水泥的表面再刷一层有机物漆,这个漆指的就是环氧树脂或者聚氨酯地坪漆。
打磨除尘、环氧地坪漆的成本差异较大。因为专业供应商一般不承接小面积(2000~5000 ㎡ 属于小项目),价格决定权在供应商方面。因其耐磨、强度高、抗静电、无接缝、易维护等特性,一直是无尘车间、电子车间、实验室、地下停车场的首选地面工艺。
• 优点:1. 施工厚度减少一半,但更耐磨
基层多为自流平水泥,表层涂装环氧树脂漆达到一定的强度,更加耐磨。
2. 耐冲击、耐酸碱容积腐蚀、可调色
可能这些优点已经超出了住宅使用功能的范畴
3. 可以有多种颜色可选
比如车间、停车场多使用蓝色、绿色,食品车间、实验室多使用白色。住宅一般使用透明、灰色较多,也有白色可以尝试
• 缺点:1. 因设计项目面积太小,能否找到愿意承接并价格合理的供应商是关键
2. 地暖问题:这个是不适合地暖,它与混凝土的线膨胀系数有差异,热涨差异易导致表面产生裂纹
• 小贴士:1. 环氧树脂地坪在除上述事宜外,底漆也是关键的一步,主要起到封闭水汽和浮尘,提高结合效果。如果出现裂缝,需要及时填缝修补,再进行面漆涂装
2. 使用过程中,如果裂缝达到 1mm 或以上,并出现空鼓,就是施工质量问题。不做处理可能会导致更大面积损坏,也容易藏污纳垢不好清洁,处女座患者尤其是晚期患者,请知悉
3. 有机物自流平可以做成各种颜色(比如白色、黑色等纯静颜色)。
4. 以往多用于工厂、车间、停车场等处,这些地方对环保性的要求没有家装那么高。最近也经常用在办公室、时装店、咖啡厅、博物馆等公共场所。除此之外,它布色均匀,不会有水泥深深浅浅的印记,人造感更强。
5. 施工周期:3-5天
6. 每平米造价在200-600元之间。
7. “爱马仕” 水泥自流平(进口地面系统)
新街口某办公室室内设计(PANDOMO地面系统)未完工
FANAF
高端自流平基本都称自己为XXX地面系统,代表从材料选择到施工技法等一系列解决方案。当然效果也是非常好,有些可以宣称不会开裂,并且有非常美丽的肌理。
这些高端自流平品牌,不论从产品宣传,到施工过程,到成品控制,都有着自己独到之处,施工技法上一般都有特殊专利。
PANDOMO(磐多魔)地面系统工人培训场景磐多魔地面施工一、地面前期处理1.地面清理处理2.做一般防潮处理,涂刷ARDEXWPM300防水膜3.地面满铺网格布4.用无溶剂环氧底涂涂刷地面然后撒沙5.24小时后用板刷清理基面二、地面磐多魔施工1.色浆与ARDEXK1搅拌2.披刮ARDEXK1,撒进口石英沙3.24小时后用专用打磨机打磨4.用ARDEXSTONEOIL檫拭二道即可5.用ARDEXDPS101上蜡注:地面施工时必须在封闭的环境内施工•优点:1.成品效果特别棒,可以根据个人爱好随意设计轻松实现自己想要的风格,风格多样化适用于任何空间。2.产品厚度小而且硬度特别高几乎不会出现磨损情况,也不会有裂缝出现,几乎避免了所有的水泥缺点却有水泥的表现效果3.可以铺设地暖•缺点:1.价格高昂,非一般业主可以承受2.原材料和施工队伍很难找到,除一二线城市外很多地方是找不到施工方的价格是相当美丽,每平米造价在700-1500元不等。InSummary综上所述能看到这里的亲,么么哒~“水泥自流平”同一种称呼,有不同的种类、价格和施工技法,此篇也只是管中窥豹,抛砖引玉。
FANAF工作室内存放项目中选择的地面材料小样
除以上几种自流平地面以外,还有抛光混凝土装饰面层工艺,在图集13CJ39中有详细介绍,但FANAF觉得此种做法与水磨石地面类似,将放在下篇混凝土固化密封楼地面中介绍~
文章书写过程中得到各施工专家与材料专家支持,在此表示感谢:美国佰锐泰克公司 周崎峰
江苏华欣装饰集团有限公司 李伟
南京金陵装饰有限公司 刘能
南京邦喜建材有限公司 朱永彬
南京海华装饰工程有限公司 徐玉华
南京韵多科技有限公司 程根发
广东新中源陶瓷有限公司 吴慧茹
马可尼化学建材(香港)有限公司 方敬钢
参考文章:《结合工程实例探讨自流平施工技术》 李敏《浅谈水泥自流平材料在超平地坪上的应用》吴为群 , 孙学峰《彩色地坪涂料混合高强水泥自流平的彩色地板及其施工方法》田坤 , 刘艳阳 , 郑修华 , 李小萍 《水泥自流平表面纹理加工工艺》蓝石龙《自流平地面材料在家装中的应用研究》尹宁
图集08CJ14
图集13CJ39
客服
消息
收藏
下载
最近






























