查看完整案例


收藏

下载
1
| 观韵 · 茶生活|
静谧的沉浸|创境合美
━
此地有崇山峻岭,茂林修竹;又有清流激湍,映带左右;引以为流水曲觞,列坐其次。——王羲之《兰亭集序》
01静谧的沉浸
路易斯·康曾说过“建筑,立与我们和世界之间,静谧代表不可度量。”这样存在于静谧与光明之间的界阈之处,是静谧之美无形的源泉。
△项目视频
光的出现,让建筑有了明暗关系。从灯光的设置,到材质的纹理,再到建筑空间分布,处理了空间与光的关系,便形成空间自身独特的气质。
本案位于素有『东南阙里,南孔圣地』美誉的衢州,自然风光隽美,引文人雅客于此寄情山水。一首《兰亭集序》道出古人凭栏而坐,曲水流觞,畅叙幽情之雅兴,今有观韵以茶空间效之,这不是一间传统的茶室。
尽头三角形区域的关系处理搭配也有别于传统山水画的留白意境,层级而上的石阶与灯箱的画作融为一体。惊鸿一瞥,近与远,古与今,深秋之美以新中式的留白意境层层递进,无限延伸空间的视觉体验。画面与此空间融为一体,消融边界,营造能够与人平和对话的茶空间形态,通向另一个时空的台阶之上是一个参与与想象的余地。
大面积的黑色碳化木的使用,为空间提炼出沉稳大气的氛围。一进入空间,便被环境的静谧力量所治愈,简约的墙面处理配上玻璃砖的组合,宛如历史悠久的诗词歌赋,一吟一唱,历久弥新。
静谧是恒定的,光明是波动的,两者的交织让空间斩获生机。暖色系灯光朦胧,精心设计的摆件增添典雅气息,缕缕茶香悠远,时光如驻,沉浸其中,让忙碌的身躯暂时得以放松,是空间治愈了人,人在空间中获得力量。静心,是环境治愈内心过程;净心,是心灵升华的境界。
在与物体之中
而存在于物与物产生的阴翳的博文和明暗之中
——谷崎润一郎《阴翳礼赞》
大道至简,便是放开那些繁杂,回归雅事本身。从玄关开始,就以少见的 45°的动线作为延伸,“复兴数十步,豁然开朗”,清幽和雅致,大道至简,途径的过程便是放开那些繁杂,回归雅事本身,直抵整个空间的核心共享区。
天朗气清,惠风和畅,七间雅室错落有致分布其中,蜿蜒曲折,大小各异。光的轨迹好似曲水,清流激湍,映带左右,游于形,或明或暗,或聚或散,身处其中,颇有『游目骋怀,足以极视听之娱』之心境。
主通道两侧亦可进入茶室,动线灵活分布,移步换景,『苔痕上阶绿,草色入帘青』,诗中有画,画中有苔藓的自然美呼之欲出。
借助光滑的镜面材质,顶部“倒影”设计将空间的流动感焕然天成,不见水,却处处有水,山涧溪流的惬意带出了流动、轻松自然的氛围。明与暗,更为自然。
动线的设计看似随性却秉持天人合一的设计观,流畅的线条,粗糙的纹理,不加修饰,映照了听风观雨的自然禅意和饮茶心境。
动线,作为人和空间互动的秩序,既承担空间使用功能,又传递自然与空间的联结,提供丰富的情绪价值。
茶为意,空间为境。一束插花,一方茶席,品茶之余,传递着人与自然、人与人、人与艺术的美感。独饮细品,或者与好友对饮,给琐碎的日常生活一段留白,才能理解无声之处造就的精彩。
佛说:“身安,不如心安,以自然之道,养自然之身”。观韵,享受的不仅是茶,是寻一方雅室,一饮一茶一清心,一草一木一世界,讲一个关于时间的故事,想一段关于记忆的故事,观今见古,流风余韵。
03 一场新时代“茶”文化的体现
味浓香永。醉乡路、成佳境。
——黄庭坚《品令·茶词》
“茶”不是符号,也非具象,而是在每个空间,每个时刻,浸润于空气,附着在空间,呼吸、律动。时间交错,饮山河,品万朵,相得益彰。
气韵在此汇聚,再由通道散去,看似随性却不乏天人合一的设计观,仿佛一首凝固的命题,演绎一场穿越古今的对话,以现代设计感提炼茶道内核,以此吸引更多人了解和喜欢传统茶文化。
△平面念爆炸图
△企业宣传片
项目名称|观韵 · 茶生活
项目地点|中国 浙江 衢州
项目业主|浙江衢州富尔康家具有限公司
设计机构|IDMD 创境合美
主案设计|陈兆培、何茂物
深化团队|舍意、卢超潼、罗广
软装设计|与间设计/ 黄秋萍
主要材料|bobo 薄板、艺术涂料、碳化木、天然石皮
项目摄影|隐象建筑摄影 / 欧阳云
品牌策划|有料策划
2
| 篽箖草堂|
城市竹林里的茶事|BDSD 吾界设计
━
△项目视频
在远离大自然的城市之中,以一处小院,一间庐屋,短暂安放自己,在茶香清韵间偶尔与生活隔岸相望,在天、地、林间舒展心性。因着这一处自然而然,不放弃文人趣味,不略过生命本身,这应是当代人永恒的追求。
庐屋·茶事
“居山水间者为上,村居次之,郊居又次之。吾侪纵不能栖岩止谷,追绮园之踪,而混迹廛市,要须门庭雅洁,室庐清靓,亭台具旷士之怀,斋阁有幽人之致。”
——《长物志·卷一室庐》
01篽箖草堂
古时文人将居住地点分为:上乘在山水间,次之为村居,再次之城郊。今天人们距离山水、村居和城郊越来越远,只能寄希望于在闹市中打造一处清幽之地。
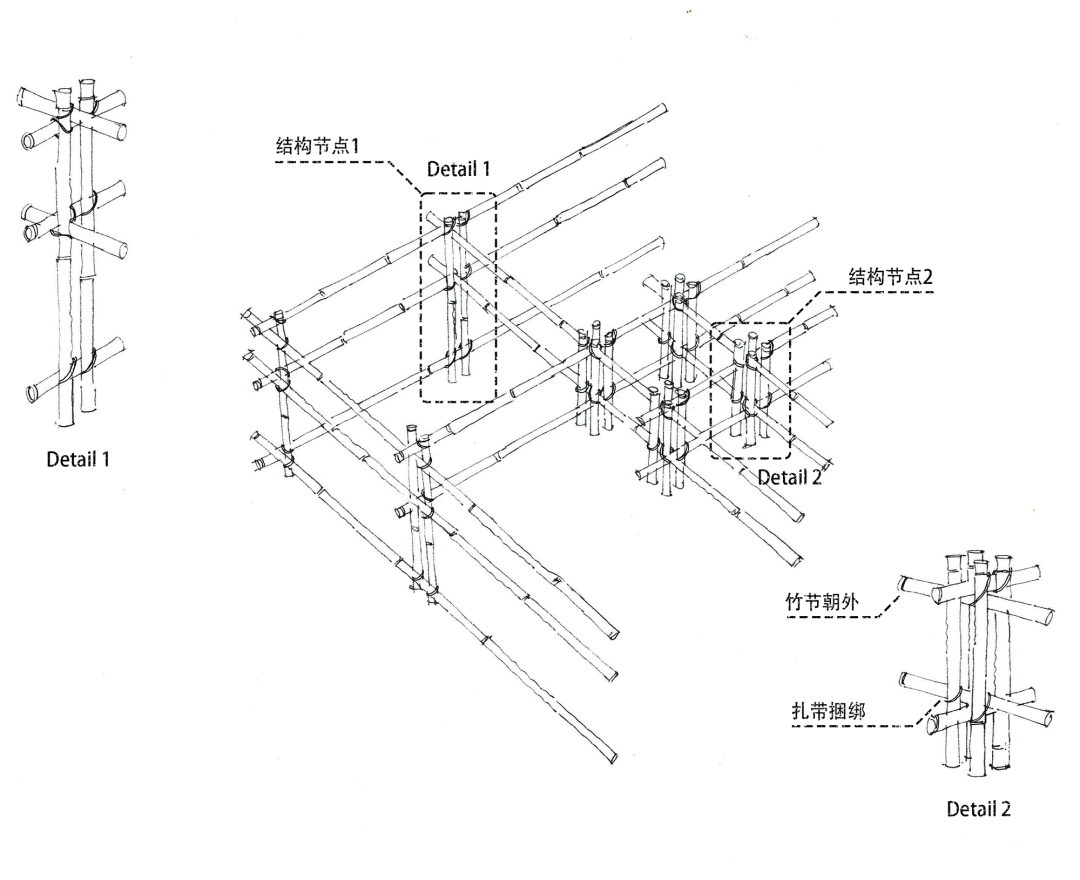
本案是一个用 2958 根竹子“编织”而成,从内到外散发着自然气息的茶馆。项目位于广东惠州,设计师林文科将一座闹市区的三层建筑改造成茶空间,取名“篽箖草堂”。
“篽箖”二字,冷僻少见,却内涵深远。取“竹子做的禁苑”之意,重独处,又可与自然相融,深信在这一方静地,可抛去繁冗,安放身心。
完工后,主理人为其写了一首藏头诗:
篽苑春雨后
箖中鸟鸣声
草木深香处
堂下有佳人
02闹市中的茅屋
作为临街店铺,设计师有意让空间向后撤退一步,完全隐于街道环境中,如遗世独立的谦谦君子。竹篱遮住视野,以自然笔触与街道对话,定义了建筑的自我边界。
外观经过改造后,以竹篱围合出一方庭院。整体高度为一米八,从庭院向外观望,喧嚣的马路从视野中消失。车水马龙声经这一片竹篱的过渡,逐渐减弱,氛围开始松弛。从踏入小院的那一刻,设计师希望调动人身体的感受力,以感官的舒适慰藉心灵。
汲取东方园林与日式枯山水的灵感,以旱溪和步石引导人的脚步,象征着曲折的山间石径,矮松圆润齐整,手水钵清脆的水滴声犹如山泉,遍植植物、苔藓,在太湖边寻访太湖石置于庭院里。如微观的山海,抑或高耸的群峰,穿越时间而来,屹立于此,万水千山融于一瞬,精神自由驰骋。
设计师希望传递出宋代小院的自然静美,在细小、平淡和难以察觉之处,藏着对美的独特理解。春啼、夏雨、秋阳、冬叶,小院有自己的四季,光影在半遮半掩间,有了复杂的层次。茅屋下一杯清茶,看着阳光穿过顶部茅草洒下细碎的光,这就是时光的影子。
03 满室竹香
1274 公里,2958 根竹子,从浙江湖州到达广东惠州。不论是“四君子”还是“岁寒三友”都少不了竹子的身影。文人爱竹,除了其清雅高洁之姿,更在于“萧然风雪意,可折不可辱”的坚韧,即使在逆境中也抱持达观的心境。
04竹子的构造
整个一层是开放式的公共区域,设计师在建筑内部打造了一个“竹林”,缓步其间,身影穿梭带动光影的变化。“耳濡清风徐来意,目及竹浪起伏时”,竹下品茶,相谈甚欢。
△艺术家,谢汉彬|春满花枝
以竹子作为连贯性和统一性的表达,用阵列性和排比来建构天花、屏风、陈列架和楼梯栏杆。横竖交叉成井字型,层层复合,排列严密,秩序感极强。同时也考虑了开放性和通透感,整个空间完全打开,以竹作为划分空间的界限。
有机的竹结构仿佛自然生长出来,从顶部垂下,从侧面生长,高矮丛生,包裹着整个空间,带来了柔软的质感。取诸自然的材料,经设计师的匠心,以现代的结构,建立起人与环境的关系,又包含着对诗意文化的追求。
竹子的构造有动静之分,作为天花,它是静态的,但是作为隔断的竹子是动态的。人穿梭时,有意无意间拨动竹子,低沉的碰撞声传递出来,触感、听觉,心的振动,情绪的生发,自然而然。
网格结构让风可以自由流动,又过滤掉强烈的光线。最大限度保留了竹子材料原本的美感,从室内向外望去,与庭院里的竹子相呼应,仿佛空间无限延伸,让人忘却正身处闹市街区。深切感受“月光疏已密,风声起复垂”的美学韵味。
05自然而然谓之自然
藉由篽箖草堂,设计师希望传递他对于自然的理解。自然,那些未被人类影响过的事物,诸如植物、动物、原始状态下的事物,它们有着内在的力量,有时温和有时暴烈。另一方面,自然美是与一切矫揉造作或者数字化相对立的,它蕴含着真实的力量,有时只是捕捉到了一些痕迹,或者是试图在表达不可言说的感受,以及那转瞬即逝的美。
为了呈现一个自然而然的空间,在公共空间过滤掉多余的光线,营造出一丝幽暗的氛围。光的侵略性消失后,器物以真面目安静地陈列在架子上,空间的物品更加柔软而感性。
庭院里的每一块苔藓、每一丛植物都是草堂主理人种植,触摸过的泥土和根须带着温度静静生长。入门的丁步掺杂进大量的茶叶梗,盈盈茶香拂面与客人一起随风潜入内。墙面在乳胶漆中拌入稻草,然后再坯上墙。室内的砖块是从苏州远道而来的。
△艺术家谢汉彬|静观
清晨,阳光从大门外照进来,照在竹子上,会呈现出一种微妙的“立竿见影”的效果,连地面的影子都以一种阵列感出现。
二层在改造时扩大窗洞,让更多的自然光进入,但是设计师以帘子做遮挡,光穿过帘子,材质变得轻盈如薄纱,光影在虚幻中变化,若隐若现,洒在地面上,一切都极其安静。
△艺术家 谢汉彬|归去来兮
作为私密的品茶空间,二层以东方传统文化中诗意的符号象征引导放慢脚步,与自我对话。留白、借景、框景等手法精心排布,简练的线条、凝练的笔触,浓淡之间,镌刻出深沉的东方情怀。
△艺术家 谢汉彬|吾
日本的铁壶、仿宋代的书法作品、景德镇的瓷器、复古的茶具、现代的工艺品、尼泊尔的雕像,多元文化融合在这个空间里,散发出独特的韵味。茶和自然是这里的源点,在雅致、古朴、隐逸间呈现出一幅现代都市的生活画卷。
△空间结构分析
项目名称|篽箖草堂
项目地点|中国广东惠州
项目面积|380m²
设计公司|BDSD 吾界设计
主案设计|林文科 孙征远
设计团队|何海权 叶佳欣 潘美嘉 叶向真 郑菁华 苏日贤
项目摄影|瀚墨视觉 叶松
品牌策划|回响之外
3
| 北京無雙 · 茶事|
简素朴拙,风雅自在|屋里门外 吴为
━
是日疏雨生凉,山光满几,殊有幽兴也——倪瓒《淡室诗》
去年 9 月,北京国际饭店一层内無雙·茶事正式对外营业,IN.X 屋里门外吴为带领团队打磨近一年完成本作。
略加粗算,我们和茶的渊源已逾千年,无论从时间还是地理的维度,多元是中国茶事迁延流变中的显要特征,而这也使中国茶的饮法有了更多值得探询演绎的空间,正是在茶文化宽容辽阔的属性下,無雙·茶事作为泛餐饮空间代表得以构建——远可回溯人文雅趣,照天地心;近能承载雀跃先锋的时代生活,恣意鲜活。
茶事风情卷
造闲情,得自在
从晋朝“提壶弼茗”的茶摊儿到唐朝开元年第一间“茗铺”形成,茶文化纵然和文人风雅、省身参禅紧密关联,但“闲情”是茶文化最宏大也最亲切的生活底色。自古便有见解——“明窗净几,佳客小姬,访友初归,风晴日和。”
到今天,一个想对山水、人文、市井都聊表心意的茶空间,对闲情佳境的塑造也是最要紧的。
线条简洁的回型中央茶吧集合了茶花水景、六艺赏玩、多功能区等茶事体验,可理解为一座丰茂怡然的茶事岛屿。吧台与周围小座、廊道、包房等则作峰回路转式的空间安排,就像古人寻山访友,“寻”的乐趣是第一等的。
△空间爆炸图
依据空间布局,夯土、洞石板、麻石、肌理漆复现了自然的原始稚拙,使室内的“山林”古朴简素。此外,结构线条简洁,几笔勾勒建筑造型,控制守拙与精雕的比例以成全当代感。空间由暗至明,色彩从深沉墨色向雾白层层晕染,朱红姜黄两色适时点缀,弱水萦绕盘桓,托起净室。
设计的观想
空而充裕,格物致远
茶味清幽,所以清晰的表达往往以洁净简素的环境来成全,古今大同。而承载茶事的乐趣则要从“物”出发,再向远去。
自入口起,整块山石劈凿挂墙,将城市推入山林。由此进入,夯土、木饰板、深色肌理漆将空间收至静谧幽深,茶吧与转角火塘茶道区自空间浮出。回廊向内,古朴山石踏步,茶室设计略高于地面,如林间茶寮浮于草木山石上。接下来,松竹、屏风、卷轴、瓶插、琴、石、茶器逐一呈现。对器物更细化的讲究从《长物志》中便有体现,从实用出发,不渉粗浮之气。
空间在进入中央区后敞开,户外景观与天光引入,风临竹石、水波浮动。多个茶事场景替代传统空间分区,包括茶室、环形沙龙吧台、临窗散座、茶艺展区。古人流觞曲水,今人受限于都市,所以更依赖物做观想,在室内做可看可游的空间山水。
茶室命名——天枢、天璇、天玑、天权、玉衡、开阳、摇光——源于道教中北斗七星君。
室内将传统茶席与现代商务社交需求结合,以开窗连通户外天光。
材料轻重虚实相谐;器物选择遵从“材美而坚,工朴而妍”;茶席、方桌、墙面、屏风皆做“山水自然”的设计,这是古今中国人不言自通的精神先验。
一杯茶的外延如同涟漪层层荡开,志同道合的人进入、产生交集,空间便有了社交属性——茶事可玩、山水可爱、雅俗可通,一个当代化的茶空间鲜活蓬勃起来。
策略为先,设计为后
泛餐饮的力道
一番回溯,中国茶文化总有难以穷尽的历史可考,但终归是自由自在的,它与我们山水、人文、市井的紧密关联使得这个具有现代性的融合空间格外恰当。宇宙的尽头是复古,茶事的源远历史也会让它在现代更加灿烂、富于激情。
以小小一碗茶为圆心所激发的格物情、烟火气、精神性以外,更契合了当代人复合型的生活和社交需求。从这个角度看,泛餐饮空间的设计更是在探索未来生活图景,屋里门外的设计策略以此为出发点,去推动一场既自在悠然,又便捷时髦的无双茶事。
项目名称|無雙 · 茶事
项目地点|中国北京国际饭店
项目面积|580㎡
室内设计|IN.X 屋里门外设计
设计主创|吴为
设计团队|刘晨阳、贾琦峰、马锐鑫、贾辰娟、宋江丽、应哲光
陈设支持|回到二十世纪
室内景观|荒野植物园
灯光设计|朱海燕
项目摄影|Boris
客服
消息
收藏
下载
最近


























































































































































