查看完整案例

收藏

下载
项目名称:比利时Cordeel总部大楼
位置:比利时
设计公司:BINST ARCHITECTS
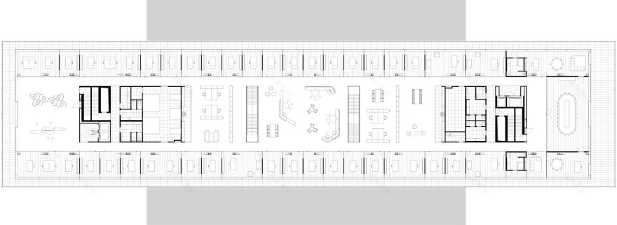
基地前身为Boelwerf造船厂,现在建有四栋公寓,为Cordeel公司所有。本次项目是公司从Eurolaan向De Zaat工业区迁址计划的一部分。新总部大楼一侧俯瞰整个场地,另一侧远眺Temse城市中心,为Cordeel的商业价值增添了新的一笔。一个两层高的钢桁架结构横跨在原本的干船坞上,下方铺设枕木。它们将被安装到两座相隔72米的混凝土建筑体块之上,每个体块中包含两座电梯和两道楼梯,以及通往办公室的入口。办公空间共有两层,每层面积2300平米,设有从地面到天花通高的玻璃幕墙,被露台环绕。结构采用3.6米的网格,使办公空间的布局更为灵活,最终形成了带景观的办公室、会议室、项目经理办公室和管理室的混合空间。多功能房间位于建筑南端,南侧与宽敞的露台相连,为人们提供了不受遮挡的惊人景观。
比利时Cordeel总部大楼外部实景图
比利时Cordeel总部大楼外部实景图
比利时Cordeel总部大楼外部实景图
比利时Cordeel总部大楼外部实景图
比利时Cordeel总部大楼外部实景图
比利时Cordeel总部大楼外部实景图
比利时Cordeel总部大楼外部实景图
比利时Cordeel总部大楼外部实景图
比利时Cordeel总部大楼外部实景图
比利时Cordeel总部大楼外部实景图
比利时Cordeel总部大楼外部实景图
比利时Cordeel总部大楼外部实景图
比利时Cordeel总部大楼外部实景图
比利时Cordeel总部大楼外部实景图
比利时Cordeel总部大楼外部实景图
比利时Cordeel总部大楼外部实景图
比利时Cordeel总部大楼外部实景图
比利时Cordeel总部大楼外部实景图
比利时Cordeel总部大楼外部实景图
比利时Cordeel总部大楼内部实景图
比利时Cordeel总部大楼内部实景图
比利时Cordeel总部大楼内部实景图
比利时Cordeel总部大楼内部实景图
比利时Cordeel总部大楼内部实景图
比利时Cordeel总部大楼内部实景图
比利时Cordeel总部大楼内部实景图
比利时Cordeel总部大楼内部实景图
比利时Cordeel总部大楼内部实景图
比利时Cordeel总部大楼内部实景图
比利时Cordeel总部大楼内部实景图
比利时Cordeel总部大楼平面图
比利时Cordeel总部大楼平面图
比利时Cordeel总部大楼平面图
比利时Cordeel总部大楼剖面图
比利时Cordeel总部大楼立面图
客服
消息
收藏
下载
最近






































