查看完整案例

收藏

下载
四川省华蓥市海绵城市工程项目由中鼎世纪工程设计有限公司设计,围绕“两河、一面、一湖”,结合“海绵城市”理念进行改造,包括清溪河、漩溪河截污干管及河道治理、景观环境整治,花园坝广场内涝治理及排水管网改造,天池湖及天池镇污水管网改造,城市辖区八个乡镇街道污水管网改造等。
该项目复杂、综合、多专业,总造价达63876.7万元。项目所耗用的截污干管总长度为58.93km,比世界上最长的跨海大桥——港珠澳大桥还长,河道累计清淤量达44万m³,相当于220个大型游泳池的体积。
该项目的建成对华蓥市老百姓生活品质、幸福指数的提高具有重要意义。
随着华蓥市城市建设的大力发展,新城初具规模,老城中心区多年来积累的问题愈发突出,清溪河、漩溪河的淤泥、渣土清除,河道内污水干管的改建,行洪能力的提升,水环境的修复,花园坝广场内涝的解决、现有管道的改造、环境的提升等均是重点要解决的问题。
清溪河、漩溪河、花园坝广场区位图
华蓥市给水由天池湖供给,然而天池湖周边环境治理紧迫,水质变差,严重威胁到城市用水安全,周边污水收集显得尤为重要。提高水源保护措施,沿湖建设污水干管,完善天池镇雨污分流,保证污水顺利进入污水处理厂进行处理,是当前亟需解决的问题。
天池湖区位图
四川省华蓥市海绵城市工程主要解决以下四个问题:
(1)清溪河、漩溪河截污干管及河道整治;
(2)花园坝广场内涝治理及排水管网改造;
(3)天池湖及天池镇污水管网改造;
(4)城市辖区八个乡镇街道(双河街道、阳和镇、溪口镇、庆华镇、永兴镇、明月镇、观音溪镇、红岩乡)污水管网改造。
项目启动时,华蓥市清溪河、漩溪河河道淤积,河道两岸栏杆、人行道、过街桥梁、公厕、绿化、休闲空间等设施亟待提升完善。
清溪河现状图
河道淤积主要有以下四个方面的原因:
(1)清溪河——上游山体开采,渣滓、泥土冲击进入上游河床后顺流进入清溪河,河中央形成小丘,小丘上面垃圾多,杂草丛生;
(2)淤泥层中央树叶等植物腐烂,布满蚊虫;
(3)漩溪河——上游未做河堤堡坎,河道淤泥累积;
(4)河道中央管道——河中央污水管道已建成8—10年,经调查每年维修费用约200万元。河道两堤部分污水口未接入河道中央主管网;因污水管在河道中央,导致河道无法清淤,淤泥深度约1—2米。
清溪河、漩溪河现状分析图
01 河道污水干管设计
清溪河截污干管末端接入现有第一污水处理厂,漩溪河截污干管末端接入本次设计的清溪河污水干管WQN线,提高清溪河流域污水收集率,减小污水对河道的污染。另外,在清溪河污水管网工程施工过程中 对河道内淤泥进行清理,减少河道内源污染,进一步改善河道水体水质。
漩溪河河道污水干管设计图
02 环境景观设计
环境景观设计方面,清溪河、漩溪河景观环境整治设计面积约为22万m²,长度约5.4km。主要延续革命红岩文化,打造熊猫文化品质景观,将历史伟人雕塑、熊猫等景观元素融入环境,更好地宣传当地文化。另一方面,打造“一轴两线五片区”,创造活力城市。
景观治理、河道治理范围图
“一轴两线五片区”规划图
河道挡土墙设计上,清溪河、漩溪河河道挡土墙建设年代已久,河堤杂草、泥土多,两侧堤顶亮化电线、移动电线、通讯电线等杂乱无章,极不规范。设计中,项目设计团队撇除架空电力线路,将油式或干式变压器换为箱式变压器,清除河堤上杂草、泥土。
清溪河下游堤防横断面典型设计图
河堤中打杆浇筑混泥土,一方面加固河堤,另一方面将斜河堤变为直河堤,在直河堤表面置入文化墙元素。在河提顶端浇筑电力线缆下地小廊道、浇筑亮化设施安置通道,既将强弱电等管线管网全部进入小面道,又将亮化设隐藏式照明亮化,达到美观整洁,又增添文化氛围的目的。
清溪河灯光设计图
现场河堤上混泥土栏杆爆裂钢筋锈蚀,桥上栏杆钢筋锈蚀,对周边过往行人造成安全隐患,项目设计团队将铁艺栏杆、青石栏杆、条石栏杆、混凝土铁艺栏杆、混凝土仿石材栏杆相结合,对河堤栏杆重新设计。
现状栏杆/挡墙实施段现场图
河道两侧及河中水生植物种植方式,选用撒布植物种子的方式,不必人工培植移栽,减少后期维护。植物种类的选择根据地域及四季需求,合理配比植物种子。
植物设计/选用方案
通过河床淤泥的清除、文化墙建设、文化亲水走廊建设、熊猫文化景观墙建设,将河 床内打造为宜游、宜乐、宜赏、宜品、宜商的休闲场所。
河床整治断面设计图
清溪河河床整治效果图
清溪河河床整治效果图
人行道铺装上,现场铺装材质以混凝土和石材、瓷砖为主,项目设计改为花岗岩石材和陶瓷透水砖材质,良好的渗透效果解决降雨时排水不畅的问题。
铺装设计示意图
铺装设计示意图
人行道上高压线架空,并已安装干式或油式变压器,影响城市美观,项目将电线放入河道两侧小管道里,变压器地埋,预留检修井。
清溪河商业休闲区效果图
清溪河商业休闲区效果图
清溪河商业休闲区效果图
花园坝广场位于华蓥市文化路入口处,处于城市地势较低的位置。暴雨时,文化路入口的截水沟不能有效拦截雨水,大量的雨水排入广场,广场内排水管网出现堵塞、爆管等现象;汛期时河道水位涨高,河道挡墙上拍门关闭,广场内雨水无法排出,造成广场内涝严重。
花园坝广场现状图
花园坝广场海绵城市规划建设结合旧城更新,分步实施雨污分流管网改造。首先,将现场不透水铺装改造为仿花岗石透水铺装,促进雨水自然下渗;再将原有花台绿化改为斜坡绿化,道路两侧增设下凹式绿地,增设湿塘,用于收集开放场地中的雨水。
花园坝广场海绵城市规划图
湿塘平面示意图
其次,改造广场周边排水能力不足的雨水管道,根据雨水汇水面积,设置调蓄容积8500立方米的调蓄池,并按照100年一遇超标暴雨强度设置排涝泵站1处,从而系统性解决该区域内涝问题,降低中心城区内涝风险。
文化路入口处排水管接入原有雨水顶管,城市排水沟在路口处标高为244.19,出水口出标高为240.96,高于常水位,低于洪水位。由于出水口高差较大,利用高水高排、压力流原理,可不增设泵房。封堵排水沟接入口,形成封闭排水沟。
雨污水进行分流后向下游排放,废除原来排水管道。新建d500污水干管,将污水接入河道内新建污水管。雨水上游新建d800雨水沟,与下游雨水BxH=1.5x1.5m排水边沟相接。
花园坝广场排水管网设计图
花园坝广场排水管网设计图
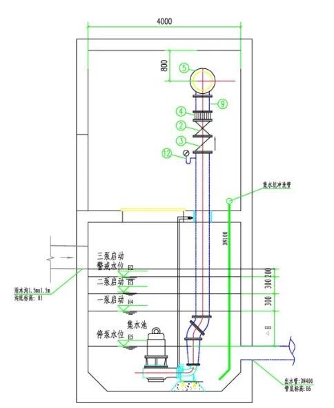
雨水泵房水泵运行采用液位自动控制和就地手动控制两种方式。低水位启动单泵,第二水位启动双泵,第三水位启动三泵。当集水坑水位达到警戒水位,四台泵同时运行。单泵和双泵运行时可自动切换,以避免某台水泵长期闲置而无法使用。
雨水泵房剖面图
晴天时,进入雨水泵房的水直排入河道内,暴雨时出水口拍门紧闭,雨水蓄积达到水泵的起泵水位,水泵提升排至河道,同时雨水泵房上方可做为河道的管理用房。
雨水泵房工作模式图
花园坝广场整治整体效果图
天池湖水库座落于海拔480米的华蓥山中段西麓天池镇境内。水库集雨面积84.36平方公里,正常水面面积约3900亩,总库容5030万立方米,正常库容2805万立方米,死库容247万立方米。天池湖多年平均径流量1.87立方米/秒,多年平均径流总量5897万立方米。
天池湖区位图
项目启动时,天池镇沿湖已建一条DN300污水干管,但住户污水未接入干管内,加上散户收集困难等原因,村镇的排水无组织地直接排入天池湖内,造成天池湖严重污染,因此对天池湖村镇的排水管网进行了改造。
天池湖污水管网总体设计图
天池湖污水管网总体设计图
目前,四川省华蓥市海绵城市工程项目仍在进行中,已经完成了50%。待项目完工后,将 实现城市雨污分流,改变清溪河、漩溪河污浊淤积的河流状态,取而代之的是清澈生态,绿植覆盖的河流景观;清溪河、漩溪河、花园坝周边配套设施的完善,将构建休闲、慢生活的城市品质空间;花园坝内涝问题的解决将提升广场生态品质;天池湖周边污水排入天池湖得到有效控制,将保证当地饮用水安全。
客服
消息
收藏
下载
最近
































