查看完整案例

收藏

下载
六年前,建筑师高栋邀请Wutopia Lab俞挺,把自己位于上海市中心一座私人小宅院,设计成放置及展示其艺术藏品的具有生活、社交、观演、聚会等复合功能的空间“收藏者之家”。项目几经辗转反复,终于在今年七月建成,取名一米藏。
01.
躲在闹市
造个自己的世界
一米藏位于魔都高楼林立下的辟静之地,基地方正,是传统的老宅平面,由北面的房屋和南面的院落组成。项目设计由Wutopia Lab和三益联手完成。俞挺在这里创造了一个充满戏剧张力的场景容器,其设计理念和思考过程可参见他的文章《俞挺和高栋花6年打磨的小宅院:收藏者之家》,而三益的设计团队更像是打磨容器的匠人,以匠心、技术和创造力把这份空间张力表达得淋漓尽致。
一米藏总平面图
一米藏轴测图
好地段加好格局,一个简单的项目,却恰恰碰上了上海最“作”的建筑师,还有同样作为建筑师眼光高于顶的业主,两个有完美强迫症的建筑师给项目出了太多难题,三益那些平日做惯了大型城市综合体项目的设计师们,被逼着放下了大砍刀,在这只有100多平的小房子玩起了绣花针。
转角无柱的茶室,超薄的雨蓬,悬浮的楼梯,看不见的设备,复杂又隐蔽的场地管线组织,工业升降机的改造使用,隐身的帷幕,见光不见灯的环境,这些非专业人员不能一眼明了的设计展示了建筑师和工程师极高的专业素养和配合度,正是每个元素每处细节都力图臻于极致,才让方案创作的诸多设想得以高完成度的实现。
02.
隐秘的结构洪荒之力
设计师只管效果,要戏剧感,要张力。结构怎么做?这都是结构工程师的压力。要安全、要规范,要精巧又低成本地满足方案的诉求,要让懂行的业主安心,而且不能让人看见太多结构的痕迹。
无柱茶室:压1m,挑4m
舞台一角的茶室,拥有一览整个院子的绝佳视野。设计师希望视野通透连续,转角必须无柱。
茶室长5m,宽3.5m。无柱意味着5m的悬挑,屋顶还得上人,结构整体的稳定性和抗倾覆力都极为不足。三益的结构老炮灵机一动:不要柱子可以,总不能不要门吧。他结合门框位置增加立柱,形成四边结构框架。通过压下端头1m的距离,大幅减小了屋面悬挑,相应的构件尺寸也控制在合理范围。
轻盈雨蓬:从120mm减到50mm
面向舞台的凹口是改造后卧室直接对外的界面,设计师在此处新增一顶雨蓬。
设计师想象中薄薄一层的雨蓬该如何实现?结构工程师可是穷举了所有的可能取最优解。两端支撑的话,跨度有6m,结构挠度过大,中间位置很容易会弯曲下垂;单靠悬挑实现1.5m的挑出,挑梁厚度需增加至120mm厚。怎样才能在看不见的地方使上力,让雨蓬变得轻薄?结构工程师给出了在雨蓬上方加斜拉筋的选项。
设计师发现在院子里人视点其实看不见这些结构,最后才同意均匀加5根斜拉筋固定住雨蓬外边缘的水平钢管,并采用实心方钢来增加自重以平衡风载,使得雨蓬厚度得以缩减至50mm薄薄的一层。
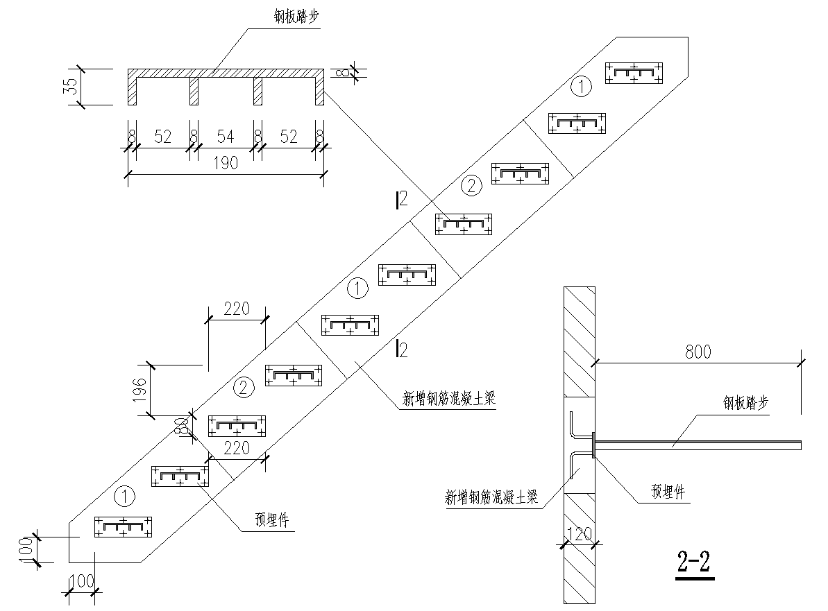
悬浮楼梯:120mm老墙挑800mm踏步
卧室内有一处上至夹层的悬挑楼梯,在灯光的配合下像是漂浮在空中。
在新房子里要实现这个效果尚且需要下功夫,更别说是在已经风化的120mm老砖墙上出挑800mm的踏步了。而且业主和设计师都要求不能看到结构梁。
做过诸多复杂城市更新项目的结构工程师们创造性地用了“移花接木”法,把现有墙体沿楼梯踏步的位置掏空,新浇一根钢筋混凝土梁进行加固。但难度在于120mm砖墙太薄了一次掏空整体浇完是不行的,无法保证主体结构安全。所以结构工程师们将钢筋混凝土梁分成5小段,先浇编号为1的三段,等强度足够支撑主体结构之后,再浇完剩下的编号为2的两段,在浇之前预留好钢板预埋件,等梁达到强度后再将8mm厚带肋钢板与预埋件焊接。
为了更好的塑造踏步的漂浮感,钢板外层套有24mm厚实木面层,在靠墙处特意留了30mm嵌入洗墙灯,并在外层加盖白色亚克力板使灯光柔化,一个炫目的效果背后是如烹小鲜般的精巧设计与耐心运作。
斑驳老墙:如何加固3.2m高的脆弱围墙
施工的时候发现,南侧院墙年久失修,墙皮脆裂脱落,风化严重。且墙高3.2m,厚240mm,高厚比过大,稳定性和抗推能力均存在风险。
墙不能拆,怎样以最低强度干预来完成这个任务?结构工程师最后选择用新增钢筋混凝土壁柱对其进行加固。以2m为水平间隔在原始围墙附设一根240mm宽的钢筋混凝土柱,柱高为墙高的三分之二,每根柱设两处伸入砖墙内的抗剪件以实现新增柱体与原砖墙共同作用,这是一个最经济又有效的加固方式。
最后墙面被刷白,加固壁柱突出于白墙,保留混凝土的原始材质并进行表面凿毛处理,符合设计的创意。
03.
设备的角落求生指南
一个带院子的房子设备管线可不会少,但在这里,业主和设计师都不会允许他们占用哪怕一点点多余的空间。就这么大的地方,就这么苛刻的条件,但挑战有多大,设计人员的斗志就有多强。
设备外机:4立方解决大本营
由于是旧屋改造,原始房屋没有预设现代住宅设施所配套设备的放置区域。
为了不影响院子及建筑整体效果,所有的设备外机都只被允许放在后院宽1.1m、长2.2m不大的空间里,靠近房屋的位置也节约了管线排布和能源耗损。
满足中央采暖-热水系统的采暖锅炉和150L储热水箱,实现全屋净水系统的增压泵、中央前置过滤器、中央净水设备和中央软水设备,还有空调外机……这么小的角落一般人都觉得根本放不下这么多大块头的机器。但三益的设计师们硬是把所有的设备全部合理统筹在了这个空间里,并且端头高1.7m左右的位置现浇了一块外挑750mm的混凝土板,将空调外机架起放置,解决了最大设备的安置难题。
机电管线:从衣柜偷出300mm
因为原始房屋高度限制,这个项目并没有多余的高度可以留给设备做吊顶美化。如何隐藏设备及管线就成为了一个新问题。
例如,卧室的空调不论放在卧室还是走廊顶部都会影响视觉效果。三益的机电工程师巧妙地化解了这个问题。她结合卧室隔壁衣帽间的上部空间做了个风机盘管腔,侧面可以直接与卧室打通进行送风。空调风口则结合房间内金属木纹隔栅采用侧吹形式,避开床头。位于衣帽间的设备腔门做成百叶,既可作为空调回风口,又方便日常检修及维护。
客厅风机:650mm狭缝盘踞
业主和设计师不要拉平吊顶,就是钟爱老房子坡屋顶下的空间张力。这可就大大压缩了机电设备的可用空间,并且要在斜面吊顶空间里水平放置室内机。
机电设计师利用原始屋顶两侧坡度不一致的前提条件见缝插针,将室内机放置在坡度较缓的一侧,并不断调整角度使其正好嵌在狭小空间里,最终使吊顶平衡形成左右对称的三角山花墙面。风管送风及吊顶内做石膏板土建风道回风的形式使送回风得以形成良好的气流循环。另外,风口设置在吊顶下缘,真假风口隐藏在这两条贯通的条缝型风口中,雁过不留痕。
04.
“毫不费力”背后的群像
做梦的人关心情节与场景,但造梦者需要把控全局。每一处看起来理所当然的设计和改动,其实背后都是牵一发而动全身的大工程。
一道帷幕引起的排水之乱
院子是设计师的得意之作,断是不能让排水明沟出现的。但仅仅维持外观上的诗意盎然还不够,出色的水电支持系统也是必须。
除了树坑的自然排水,前院的建筑墙角、台阶踢脚边缘,太湖石暗部等区域都结合场地排水坡度设置了排水沟,采用了缝隙式排水。内院舞台则采用管沟排水,通过混凝土墩整体架高钢龙骨与面层木平台,最大限度避免了地面排水对钢龙骨的锈蚀,以及龙骨铺设对场地排水的影响,在那些深化设计的技术控看来,看不见的地方才是最显示技术的地方。
最让给排水设计师头疼的是分隔花园和舞台的帷幕。本来院子内的雨污水可以通过地埋管线由内而外顺畅且坡度合适地排至场地外,但由于帷幕的特殊位置,相当于从中间拦路截断了原本场地地埋的雨污管线,两个系统在此处形成交叉。为了解决这个问题,三益的给排水设计师们和设备厂商进行了精细的设计与反复的沟通,最终确认了设备槽尺寸及相关地埋管线的埋深,保证它们互不干扰满足需求。
不能没有,也不能太有
“不能没有,也不能太有”是业主和设计师对照明设计的要求,这个涵义多样的小院子应该有独特又细腻的光感受。
好在负责照明设计的张宸露是个出色的照明设计师,她根据现场场景的质感变化,用不同的灯光进行点缀。
前院保留了原始庭院的野趣,紫藤、紫荆、桂花等老朋友守护着东方的古典雅致。除了三个草坪灯和照树灯点亮环境,镜花水月墙上的圆形变截面铜饰凹口边缘内嵌一条柔和灯带,泛射打亮了整个圆盘,在地面水盘上形成倒影。
相比而言,内院则更为简约和现代。高光白穿孔铝板以紫藤花开图案转印形成现在的雨蓬。以雨蓬为中心设置的环境光奠定了整个院子的基调,所有光源均采用线性灯照明。雨蓬在结构连接处布置有条形灯,洗亮整个雨蓬;沿边缘的线性灯在朋友聚会的时候提供了更为明亮和戏剧感的环境。
一角的茶室在夜晚被点亮,从前院看去,内院在灯光的映衬下几乎是完全连续而开放的。这也成为踏入院门的第一印象,远处的内院引人入胜,回过头再看置身其中的前院,曲径通幽。
05.
让美更自由
一米藏的项目很小,三益往日用于大型城市项目的技术牛刀要化成绣花针才能在这个螺丝壳里游刃有余。对于那些经验丰富的设计老炮儿们来说,功能性的技术实现不是难点,唯一的挑战是如何在各种制约条件下不着痕迹地解决问题并高完成度地实现方案所设想的场景,同时在现场不厌其烦地一遍遍打磨、修正、完善设计,最终才能呈现出极致的完成效果。从大走向小,项目规模和技术难度自然略为简化,但也正是在这样精致的小项目中,得以窥见建筑师和工程师们鲜为人知的细腻情怀。
在这个项目中,可以看到各专业设计师互相尊重、相互成就后的骄傲。这也是两个不同身份建筑师们互相折磨、相互启发的结果。当创作不再受制于技术,当技术成为创作最有力的基石,美才能变得更加自由。
项目名称:一米藏
项目地址:中国上海
建设面积:建筑面积139平方米,庭院面积105平方米
建筑材料:火山岩、太湖石、穿孔铝板、玻璃、钢板、硅藻泥、木材、白色水泥
建设时间:2014年5月-2020年7月
设计团队:Wutopia Lab+三益中国
策划人:高栋、俞挺
主持建筑师:俞挺
方案设计团队:Wutopia Lab
项目建筑师:李宗泽、穆芝霖
设计师:潘大力、孙悟天、戴欣旸、林晨、葛俊、葛宇斐、黄河
深化设计团队:上海三益建筑设计有限公司
设计总负责人:祝宇梅
建筑设计:祝宇梅、叶霞
室内设计:于兵、周一翔、高克凡、葛鸿源
景观设计:王粲、郑志诚、靖子樾
结构加固及设计:胡文晓
机电设计:蒋虹、茅娅倩、毛浡、徐炜栋、于晓慧、忻洁颖、程晓虎
全景效果:韦寅骏,高海源
图纸整理:胡哲雨、项文威、王赢
其他合作团队:
照明顾问:张宸露
家居及艺术品顾问:王芳
标识顾问:张琪
摄影:CreatAR Images
项目经理及总协调:张昊
施工负责人:陈育文
客服
消息
收藏
下载
最近






















































