查看完整案例

收藏

下载
项目名称:杭州萧山国际机场三期项目新建航站楼及陆侧交通中心工程
位置:杭州
设计公司:华东建筑设计研究院有限公司联合体
杭州萧山国际机场原有 T1、T2、T3 三座航站楼,2019 年旅客吞吐量突破 4000 万人次。G20 峰会以后,杭州提出争做亚太地区重要国际门户的发展目标,对机场的发展提出了更高的要求。为满足远期年旅客量 9000 万人次的目标,杭州市启动三期项目新建航站楼及陆侧交通中心工程,建设内容包括:T4 航站楼、交通中心、旅客过夜用房、业务用房等,总建筑面积约 143 万平米。
航站区鸟瞰
T4 航站楼正立面
T4 航站楼鸟瞰
T4 航站楼车道边
三期工程由华东建筑设计研究院有限公司原创方案设计,自 2018 年 3 月份以来,华东院作为工程设计联合体牵头方,开展全过程设计,并承担设计总包管理牵头工作,统筹协调七家勘察和设计单位共同推进项目建设。三期工程是浙江省大通道建设十大标志性项目,也是杭州亚运会的重要基础配套,投运后可以全面提升机场保障能力,萧山机场也将成为华东地区第二大航空枢纽。
规划篇:一子落定,满盘皆活
萧山机场核心区规划用地面积仅 2.82 平方公里,在同等规模机场中用地最为局促。设计巧妙采用“中置布局、两翼延展”的航站楼构型,将主楼布置于陆侧核心,指廊伸入空侧用地,最大限度释放空侧用地,实现南北机坪容量平衡,近远机位数量最多、分配最优,运行高效顺畅;陆侧通过立体层叠的功能布局,构建一体化综合交通枢纽,实现“轨、陆、空”十种交通方式的高效集成、无缝衔接;新老航站楼功能一体融合,有利于航空公司分配及旅客中转,为萧山机场打造中转枢纽奠定坚实基础。
航站区日景鸟瞰
T4 航站楼空侧
T4 航站楼空侧立面
T4 航站楼指廊及登机桥
航站楼:淡妆西子,十景百态
T4 航站楼全部建成后总建筑面积约 72 万平方米,采用统筹规划,分期实施的发展模式。以“风起西子、荷涌暗香”为主题,通过“建筑、结构、室内、景观一体化”的设计手法,精心营造脱胎于西湖十景的“新空港十景”,体现杭州“国际、开放、包容”的城市精神和“秀雅、精致、温润”的地域特色。
分阶段实施示意
T4 航站楼局部鸟瞰
T4 航站楼楼前景观
芙蓉出水
出发大厅东侧的交通核心空间,一组高度接近 50 米的巨型结构拔地而起,恰似出水芙蓉,以优雅的形态和震撼的尺度,带给旅客强烈的视觉冲击力。各楼层环绕巨柱布置,阳光直达谷底。
出发大厅看荷花巨柱
荷花巨柱全景
荷花巨柱仰视
莲下泛舟
出发大厅内 40 根单元扇形柱托举起 11 万平方米的巨大屋面,宛如接天莲叶。阳光从荷叶间隙倾泻而下,值机岛仿佛翩翩轻舟,旅客徜徉其间,再现莲下泛舟的唯美意境。
出发大厅荷叶柱
出发大厅荷叶柱和值机岛
荷叶柱单元阵列
桂雨飘香
候机区天窗遮阳由疏至密,层层递进。漫步其间,仿佛置身于林荫道中,阳光斑驳,树影婆娑。地毯的金色点状图案疏密有致,如遍地桂花,营造清风徐来、桂雨飘香的空间氛围。
旅客候机区天窗
旅客候机区铺地
候机指廊遮阳细部
长桥卧波
北国内集中商业区,国际旅客到达连桥横跨于几何色块构成的“荷塘”之上,两侧玻璃轻盈通透,几乎消隐,烘托出桥身的纯净优雅。
国际到达连桥
北国内集中商业区看国际到达连桥
国际到达连桥看北国内商业区
清荷映绿
行李提取厅通透明亮,超薄镜面水池涟漪微漾,静谧雅致。水池背景的艺术装置投下摇曳的光影,以写意的手法诠释荷塘意境。
行李提取厅景观水池
行李提取厅景观水池光影
行李提取转盘
行李提取厅出口
临空揽胜
南国内商业 6 米层地面图案勾勒出西湖轮廓和城市肌理,国内出发旅客通过 12 米安检区后居高临下,湖光山色尽收眼底。17.4 米贵宾休息区悬浮在安检区上方,在此可凌空揽胜,游目骋怀。
南国内集中商业广场
南国内贵宾浮岛
南国内集中商业区。除此之外,空港十景还包括位于北国际集中商业区的“河坊问茶”、迎客大厅的“廊腰缦回”、南北长廊的“竹径通幽”和南国内商业区的“重湖叠岭”。
十景分布位置示意
北国际集中商业区
北国际集中商业区店铺
迎客厅
南北长廊空间
南国内商业空间布局
交通中心:织经绣纬,机枢天下。交通中心建设内容包括换乘通道、地下停车库、长途汽车站、旅游集散中心等,总建筑面积约 47 万平方米,是目前全国机场类在建规模最大的综合交通换乘中心。
交通中心鸟瞰
新老航站楼及交通中心
换乘通道
换乘通道为东西贯通的双层布局,衔接新老航站楼和各类交通换乘设施。轨交、巴士或自驾旅客,汇聚到地下层换乘通道。宽阔明亮的线型空间,为旅客提供最简洁清晰的引导。拱形天窗的设计语言取自荷叶抽象而来的菱形元素,与航站楼一脉相承,层次丰富、细部精美。
交通中心地下层换乘通道
地下层换乘通道天窗细部
二层换乘通道为环廊,两侧的社会车库出入口,采用提取自西湖十景的主题色彩,便于旅客记忆。
交通中心二层换乘通道社会车库入口
交通中心二层换乘通道
中庭序列
换乘通道串联起西侧 T4 航站楼“荷花谷”、中央中庭和东侧“水滴涟漪”,一轴三核,形成开阖有度的空间序列。
中央中庭是南北动线的交汇点,各层贯通,空间震撼。环形阵列的 V 形结构支撑、片状天窗遮阳、菱形表皮肌理共同表达出清晰的建构逻辑。白天,空间充满光明和静谧;夜晚,流光溢彩。
交通中心中庭
交通中心中庭二层
交通中心中庭天窗和遮阳
交通中心中庭夜间效果
水滴涟漪中庭
技术篇:绿色生态,云上智枢
结合杭州气候特点,设计综合运用“匀质采光、多级遮阳”技术,改善 T4 航站楼内 50%以上区域的自然光效。
出发大厅采光效果。结合旅客流程,设计采用“零高差”行李托运、智能安检通道、自动回筐系统、刷脸式一步登机等技术,助力旅客轻松便捷出行。通过智慧云数据中心平台,将杭州萧山机场打造成资源最优化、治理更高效、出行更美好的“云上智枢”。
出发大厅预安检
2022 年 9 月,随着 T4 航站楼正式投运,实现了对现有航站区的整合和更新,标志着萧山机场一跃成为重量级门户型综合交通枢纽,长三角城市经济群航空市场中耀眼的明珠。
设计图纸 ▽
-13.500 米标高平面图
-6.500 米标高平面图
±0.000 米标高平面图
6.000 米标高平面图
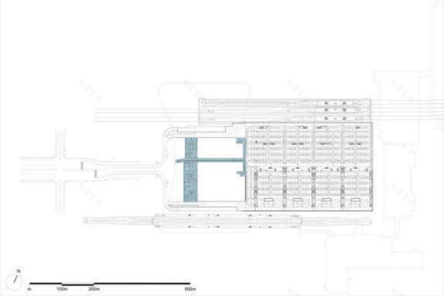
12.000 米标高完整平面图
17.400 米标高平面图
22.200 米标高平面图
完整项目信息
联合体牵头单位:华东建筑设计研究院有限公司
联合体成员单位:浙江省建筑设计研究院、兰德隆与布朗交通技术咨询(上海)有限公司、上海市政工程设计研究总院(集团)有限公司、中铁第四勘察设计院集团有限公司、上海民航新时代机场设计研究院有限公司、浙江中材工程勘测设计有限公司
建成时间:2022 年 9 月
项目地址:浙江杭州
建筑面积:143 万平方米
摄影:远洋、乔云峰、李逸
客服
消息
收藏
下载
最近





























































