查看完整案例

收藏

下载
这些桥梁位于南京南部新城,横跨机场河和响水河两岸,连接北侧公共商务区和南侧居民区。由旧机场改造而成的机场跑道公园作为主轴,响水河与机场河形成两翼构成一轴两翼的景观空间构架。我们采用富有张力和科技感的流线形体,以回应桥的力学特性和机场的历史文脉的遗产,并满足城市节点的各自空间需求,形成与场地环境的对接。
These bridges are located in Nanjing’s Nanbu New Town, spanning both the Airport River and Xiangshui River, connecting the northern public business district with the southern residential area. The former airport, now transformed into the Airport Runway Park, serves as the central axis, while the Airport River and Xiangshui River form the two wings, creating a landscape space structure of “one axis and two wings.” We adopted a dynamic, futuristic, streamlined form to reflect the bridge’s structural characteristics and the historical legacy of the airport. This design also meets the spatial needs of the urban nodes, ensuring a seamless connection with the surrounding environment.
▼项目与周边环境鸟瞰,Aerial view of the project and surrounding environment © 刘松恺
整体规划注重点、线结合,打造河道标志节点,强化南部新城特色。车行桥首先保证车辆的通行,不做夸张的造型处理,人行部分保证行人的安全和步行舒适度。人行桥梁两侧的人非部分则与河两岸的景观步道串联成一体。使之成为一条功能复合的滨水休闲景观带,形成错落有致的城市桥梁景观。
▼总体规划,vehicular bridge key plan © NAN建筑事务所 + 和作结构建筑研究所
▼总体规划,master plan © NAN建筑事务所 + 和作结构建筑研究所
▼非机动车桥分析图,analysis © NAN建筑事务所 + 和作结构建筑研究所
The overall plan focuses on the integration of points and lines, creating iconic nodes along the river and enhancing the distinct character of the Nanbu New Town. The vehicular bridge prioritizes traffic flow without extravagant design elements, while the pedestrian section ensures safety and comfort. The pedestrian walkways on both sides of the bridge are connected to the landscape paths along the riverbanks, transforming the area into a multifunctional riverside leisure and scenic belt. This creates a harmonious and varied urban bridge landscape.
▼非机动车桥,Pedestrian bridge © 刘松恺
该人行拱桥采用钢结构设计,兼具功能性与美观性。桥梁的拱形结构延续景观步道,为行人提供了漫步空中的步行体验,让人们可以登高远眺,俯瞰周边的城市景观,感受开阔的视野。桥的下层通道宽敞,适合非机动车通行,满足多样化的交通需求。桥体结构设计中加入了拉杆系统,有效减小了下层桥板的跨距,进而减少了桥板厚度,使整个桥体更加轻盈、优雅,同时确保了结构的稳定性与耐久性。
▼断面结构,cross-sectional analysis © NAN建筑事务所 + 和作结构建筑研究所
This arch bridge, designed with a steel structure, seamlessly blends functionality with elegance. Its arched form extends the landscape walkway, offering pedestrians an elevated, immersive experience as they stroll through the air. From the bridge, visitors can enjoy panoramic views of the surrounding cityscape, taking in the open, expansive sights. The bridge’s spacious lower level is ideal for non-motorized traffic, meeting a variety of transportation needs. The structural design incorporates a tie-rod system, effectively reducing the span of the lower deck, which in turn minimizes its thickness. This gives the entire bridge a lighter, more graceful appearance, while ensuring structural stability and durability.
▼非机动车桥鸟瞰,Aerial view of pedestrian bridge © 刘松恺
▼轻盈优雅的桥体,Light and elegant bridge © 刘松恺
▼桥面台阶,Bridge steps © 刘松恺
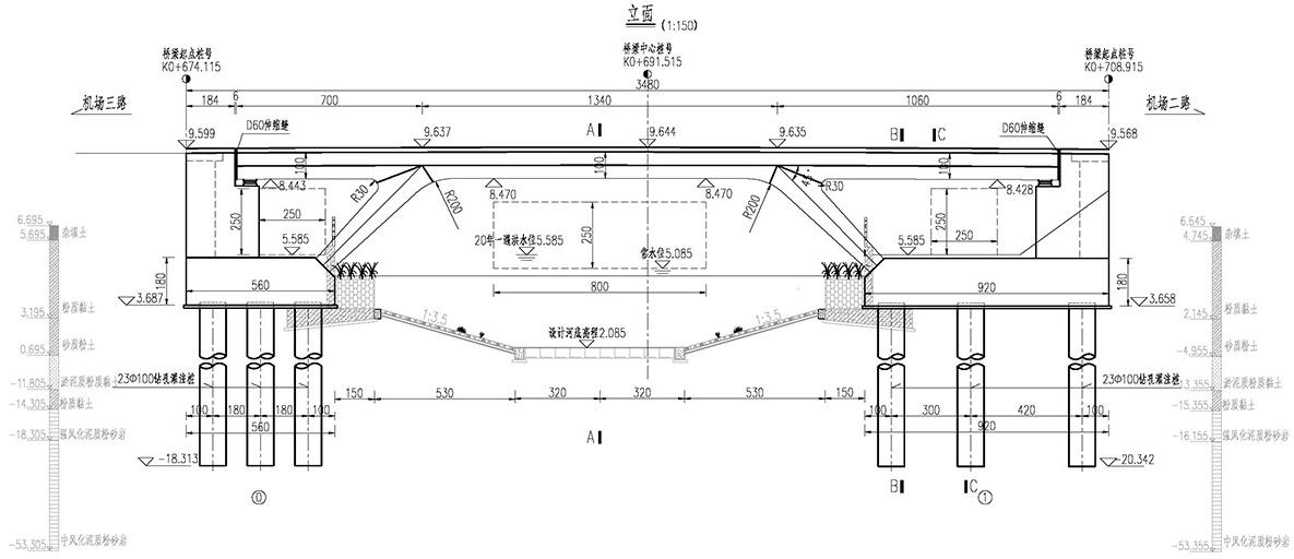
该车行桥为钢筋混凝土结构。横梁与斜撑整体的流线型设计塑造出具有穿梭感的廊道,为行人提供便捷通道,同时与滨河生态景观带相融合。设计既满足了结构力学需求,又赋予了桥梁轻盈的视觉效果,打破了传统车行桥的厚重与笨拙,使桥体在河道上空呈现出优雅的“漂浮”感。
▼车行桥分析图,analysis © NAN建筑事务所 + 和作结构建筑研究所
▼车行桥断面结构,cross-sectional analysis © NAN建筑事务所 + 和作结构建筑研究所
This is a reinforced concrete vehicular bridge. The streamlined design of the beams and diagonal braces creates a dynamic, flowing passageway that not only provides a convenient route for pedestrians but also integrates with the riverside ecological landscape. The design meets all structural needs while giving the bridge a light, airy aesthetic. It breaks away from the traditional heavy, clunky appearance of typical vehicular bridges, allowing the structure to almost “float” gracefully above the river.
▼车行桥,Vehicular bridge © 刘松恺
▼车行桥桥下空间,Space under the bridge © 刘松恺
这座非机动车桥的设计灵感源于机场河的流动水韵及鱼跃的意象,同时巧妙地融合了飞机起降的动态之美。桥面由四条钢拱支撑,使结构更加轻巧纤细,呈现出轻盈而富有动感的外观。整座桥梁宛如一件城市雕塑,从桥下游船和桥上行人的视角,均能感受到不同的视觉变化。它不仅是一座交通设施,更是城市与自然之间的纽带。
▼非机动车桥,pedestrian bridge analysis © NAN建筑事务所 + 和作结构建筑研究所
▼非机动车桥断面分析,cross-sectional analysis © NAN建筑事务所 + 和作结构建筑研究所
This vehicular bridge, constructed with reinforced concrete, features a streamlined design of beams and diagonal supports, creating a dynamic corridor that allows for convenient pedestrian passage while harmonizing with the riverside ecological landscape. The design not only meets structural requirements but also imparts a sense of visual lightness, breaking away from the traditional heaviness and bulk of conventional vehicular bridges. The result is an elegant “floating” effect as the bridge spans gracefully over the river.
▼非机动车桥,Pedestrian bridge © 刘松恺
▼流动水韵及鱼跃的意象,Imagery of flowing water and leaping fish © 刘松恺
▼动态之美,Dynamic beauty © 刘松恺
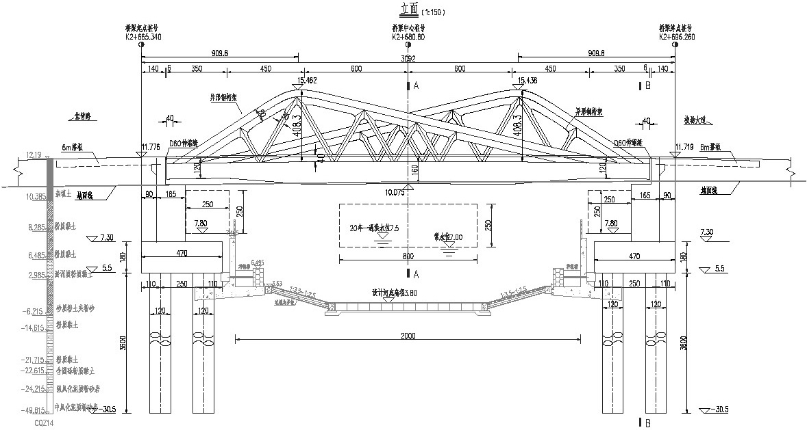
这座车行桥的设计呼应了沿路秦淮湾大桥的山形三角拱,并简化为桁架结构,巧妙布置在机动车与非机动车分隔带处。桁架结构的引入有效改善了桥体两侧的受力分布,降低了外侧可见部分的结构高度,从而营造出轻薄的桥面效果。桥梁设计与承天大道跨秦淮河大桥相互呼应,形成错落有致的主干道城市景观,赋予整体空间更加丰富的层次感。
▼车行桥分析,vehicular bridge diagram © NAN建筑事务所 + 和作结构建筑研究所
The design of this vehicular bridge echoes the mountain-shaped triangular arches of the Qinhuai Bay Bridge along the route, simplified here into a truss structure cleverly positioned within the divider between motorized and non-motorized lanes. The incorporation of the truss structure effectively improves load distribution along the sides of the bridge, reducing the visible structural height on the outer edges and creating a sleek, lightweight deck. In harmony with the Chengtian Avenue Bridge crossing the Qinhuai River, this bridge contributes to a dynamic cityscape along the main thoroughfare, enriching the overall spatial experience with a sense of layered depth.
▼车行桥鸟瞰,Aerial view of vehicular bridge © 刘松恺
▼车行桥,Vehicular bridge © 刘松恺
方案设计:NAN建筑事务所+和作结构建筑研究所
主持设计师:,南旭(建筑)、张准(结构)
设计团队:唐慧莲、张一、方晓、谭钟瀚、陈梦凡(实习)、黄麟(实习)、沐璨琪(实习)、王宁(实习)
施工图设计与施工:中铁工程设计咨询集团有限公司
业主:南京市南部新城开发建设管理委员会
摄影:刘松恺
地址:南京南部新城机场河响水河
Design: NAN Architects+ AND Office
Lead Designers: Nan Xu (Architecture), Zhang Zhun (Structure)
Design Team: Tang Huilian, Zhang Yi, Fang Xiao, Tan Zhonghan, Chen Mengfan (Intern), Huang Lin (Intern), Mu Canqi (Intern), Wang Ning (Intern)
Construction Drawing and Construction: China Railway Engineering Consulting Group CO.,LTD
Client: Nanbu New Town Development and Construction Management Committee
Photography: Liu Songkai
Location: Xiangshui River, Airport River, Nanjing
客服
消息
收藏
下载
最近



















































