知末
知末
创作上传
VIP
收藏下载
登录 | 注册有礼

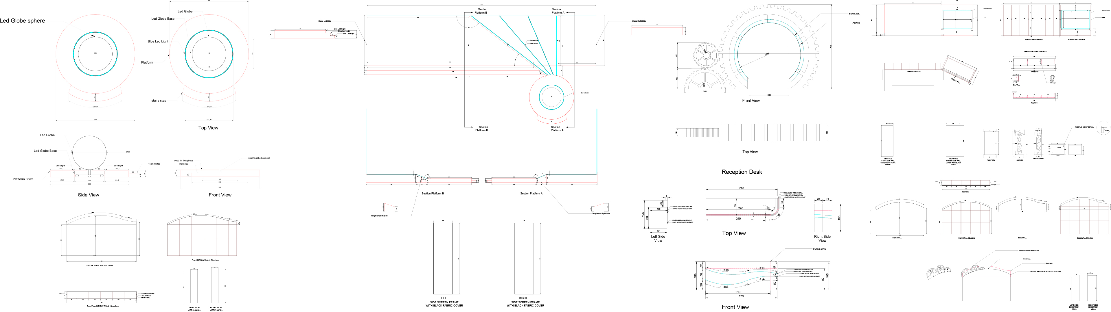
REGIONAL AUTO HUB -ABUDHABI

2022/04/25 17:24:15
查看完整案例
微信扫一扫
收藏
下载
翻译
REGIONAL AUTO HUB -ABUDHABI-0
REGIONAL AUTO HUB -ABUDHABI-1
REGIONAL AUTO HUB -ABUDHABI-2
REGIONAL AUTO HUB -ABUDHABI-3
REGIONAL AUTO HUB -ABUDHABI-4
REGIONAL AUTO HUB -ABUDHABI-5
南京喵熊网络科技有限公司 苏ICP备18050492号-4知末 © 2018—2020 . All photos and trademark graphics are copyrighted by their owners.增值电信业务经营许可证(ICP)苏B2-20201444苏公网安备 32011302321234号
客服
消息
收藏
下载
最近