查看完整案例

收藏

下载
На границе времен
Наталья Мурадова
Объект: Жилой комплекс ЗИЛАРТ (лот №3)
Адрес: Россия, Москва. улица Архитектора Щусева, д. 2, к. 3-4
Мастерская: Евгений Герасимов и партнеры
Авторский коллектив: Архитекторы: Е.Л. Герасимов (рук.),xa0Т.А. Комалдиноваxa0(гл. арх. проекта),xa0Т.В. Кузнецова, Г.Н. Шумская, О.В. Трунова, И.В. Припоров, А.С. Матияш
Конструкторы: М.Я. Резниченко (гл. констр.), Д.А. Астапчик (зам. гл. констр.),xa0Е.А. Пантелеева, П.С. Култышев, Т.В. Белова, Е.Н. Пестова, Т.Е. Смирнова, Е.С. Яковлева
Генплан: Е.Н. Кузнецова, А.С. Титова,xa0И.А. Харинская
Инженерные разделы: ОАО «Проектсервис» – СПб ПТИ
ГИП:xa0А.В. Баранов
Бюро «Евгений Герасимов и партнеры» спроектировало один из лотов первой очереди жилого комплекса ЗилАрт. Жилой дом с замкнутым пространством внутреннего двора получился ярким, но на фоне «соседей» выглядит традиционным – ровно таким, чтобы полностью соответствовать своему назначению.
Жилой комплекс ЗИЛАРТ
© Евгений Герасимов и партнеры
Евгению Герасимову на ЗилАрте достался лот №3, тот, что стоит на северной границе участка. Она проходит по Проектируемому проезду №4965, который сохранился от заводского прошлого территории. Справа и слева топонимы уже нашего времени – улицы Архитектора Голосова и Архитектора Гинзбурга.
Новые «соседи» достались яркие: на западе это лот №1 бюро «Сергей Скуратов Architects» с торцом из огненно-рыжего кортена, а по диагонали от него – лот №5 «Цимайло, Ляшенко и Партнеры» с ажурными прорезями на красном фасаде.
При этом на севере дом Евгения Герасимова выходит окнами на шестиэтажный Инженерный корпус. Здание с фронтоном и пилястрами пятидесятых годов постройки – одно из немногочисленных, которым удалось уцелеть в ходе реконструкции заводской территории. Равно как двухэтажной пожарной части из красного кирпича, с которой дом соседствует на юге, – пожарную часть планируют превратить в детский сад.
Инженерный корпус. Вид от котлована стройки лота №3. Фотография © Евгений Герасимов и партнеры
Жилой комплекс ЗИЛАРТ. Экспликация зданий и сооружений
© Евгений Герасимов и партнеры
Объемно-пространственное решение и фасады дома, спроектированного архитекторами «Евгений Герасимов и партнеры», выглядят своего рода попыткой примирить прежних и новых «обитателей» ЗИЛа, что кажется совершенно логичным в силу того, что постройка занимает своего рода «приграничный» участок.
Жилой комплекс ЗИЛАРТ
© Евгений Герасимов и партнеры
Согласно мастер-плану ЗилАрта, дом имеет 14 этажей. Основной корпус выстроен почти буквой «П», с той лишь разницей, что в восточной части верхняя планка образует острый угол. Таким образом, фасад дома продолжает ось, заданную лотом №1, в то время, как общей правильностью своей геометрии перекликается со зданием Инженерного корпуса.
В южной части со стороны пешеходного бульвара к основному корпусу придвинуты пять блокированных трехэтажных таунхаусов. Вместе они организуют внутренний двор. Он не замкнутый: есть и проходы по обе стороны от таунхаусов, и арка в восточном крыле. Тем не менее пространство надежно выгорожено от остальной территории ЗилАрта – как намек на дворы-колодцы Петербурга.
Жилой комплекс ЗИЛАРТ
© Евгений Герасимов и партнеры
По внешнему периметру расположены входы в магазины, аптеку, салон красоты и кафе; подъезды жилой части расположены со стороны двора.
На фасадах использован обязательный для всех построек ЗилАрта клинкерный кирпич. Он трех цветов – белого, серого и оранжевого, из которых складываются прямоугольники, заключенные в рамки выступающих филенок. Вертикальное членение двухэтажное, однако при том, что цвета использованы примерно в равных пропорциях, уловить ритм почти невозможно. Евгений Герасимов называет этот ход «программным хаосом».
Жилой комплекс ЗИЛАРТ Фасады, таунхаусы © Евгений Герасимов и партнеры
Жилой комплекс ЗИЛАРТ © Евгений Герасимов и партнеры
Жилой комплекс ЗИЛАРТ в процессе строительства © Евгений Герасимов и партнеры
«Мы считаем, что жилой дом имеет общую форму, но каждый его элемент может быть разным. Все окна в итоге все равно будут выглядеть по-разному и порядка в фасаде не будет никогда. Такое решение фасада должно, на наш взгляд, придать ему живость, он со всех точек будет смотреться по-разному, а в целом должен производить впечатление разношерстности, некоего коврика», – объясняет автор.
Фасад с аккуратными решетками французских балконов действительно получился уютным. Он абсолютно соответствует образу жилого дома, каким его себе представляет среднестатистический покупатель. Внутри тоже все спокойно и уместно: лифтовые холлы с отделкой качественной, но без излишеств, и квартиры от 49 м2 до 115 м2. В некоторых из тех, что находятся на верхних этажах, спроектированы камины.
Камины есть и в каждом из пяти таунхаусов площадью 200 м2. Таунхаусы трехэтажные, вертикальное членение фасада здесь – три этажа. Сдвоенный ритм французских балконов почти повторяет ритм высоких окон первого этажа Инженерного корпуса. Французские окна первого этажа таунхаусов выходят в индивидуальные палисадники, отделенные оградой от пешеходной улицы. Входы в жилые помещения организованы со стороны благоустроенного двора.
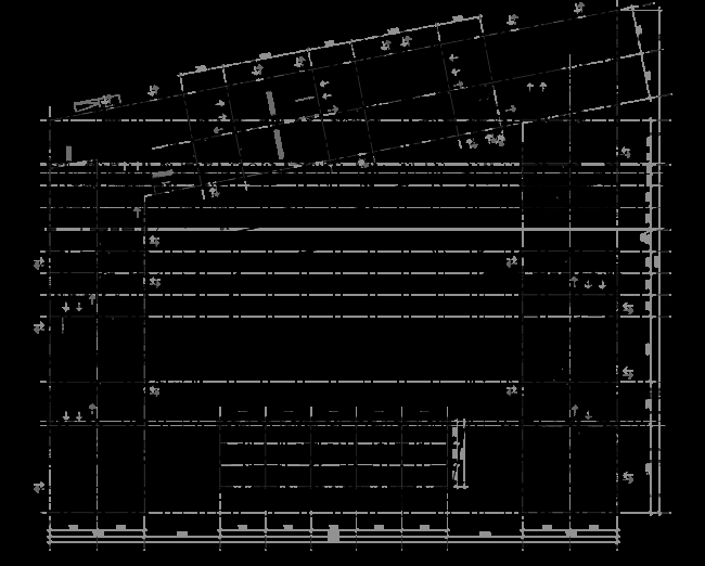
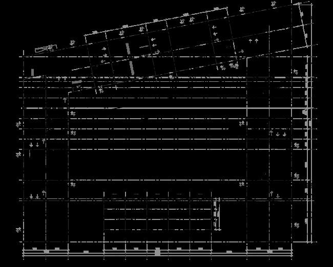
Жилой комплекс ЗИЛАРТ. План 1 этажа
© Евгений Герасимов и партнеры
Жилой комплекс ЗИЛАРТ в процессе строительства
© Евгений Герасимов и партнеры
Двухуровневая подземная парковка общая для жителей таунхаусов и обитателей основного корпуса. Заезд в нее расположен с западной стороны, – таким образом разведены автомобильные и пешеходные потоки.
При том, что дом достаточно большой – в нем больше 400 квартир – благодаря решению фасадов он не производит впечатление громоздкого сооружения. Он современный, но не «модный», оригинальный, но при этом кажется хорошо знакомым – то есть именно такой, чтобы вызвать желание в нем жить, а не только любоваться им.
Наталья Мурадова
Жилой комплекс ЗИЛАРТ. Эскиз © Евгений Герасимов и партнеры
Жилой комплекс ЗИЛАРТ. Эскиз © Евгений Герасимов и партнеры
Жилой комплекс ЗИЛАРТ. Эскиз © Евгений Герасимов и партнеры
Жилой комплекс ЗИЛАРТ. Эскиз
© Евгений Герасимов и партнеры
Жилой комплекс ЗИЛАРТ. Эскиз © Евгений Герасимов и партнеры
Жилой комплекс ЗИЛАРТ. Эскиз © Евгений Герасимов и партнеры
Жилой комплекс ЗИЛАРТ в процессе строительства © Евгений Герасимов и партнеры
Жилой комплекс ЗИЛАРТ в процессе строительства © Евгений Герасимов и партнеры
Жилой комплекс ЗИЛАРТ в процессе строительства © Евгений Герасимов и партнеры
Жилой комплекс ЗИЛАРТ. Концепция дизайна общественно-жилой части
© Евгений Герасимов и партнеры
Жилой комплекс ЗИЛАРТ. Концепция дизайна общественно-жилой части © Евгений Герасимов и партнеры
Жилой комплекс ЗИЛАРТ. Концепция дизайна общественно-жилой части © Евгений Герасимов и партнеры
Жилой комплекс ЗИЛАРТ. План 3-7 этажей © Евгений Герасимов и партнеры
Жилой комплекс ЗИЛАРТ. Планы 8-14 этажей © Евгений Герасимов и партнеры
Жилой комплекс ЗИЛАРТ. План таунхаусов © Евгений Герасимов и партнеры
Жилой комплекс ЗИЛАРТ . Фасад. Корпус 1, фасад Л
© Евгений Герасимов и партнеры
客服
消息
收藏
下载
最近




















