查看完整案例

收藏

下载
Planirani skejt park u gradu na Lepenici; Rendering: Urban Factory
Kragujevac dobija skejt park s noćnim osvetljenjem: Projekat na javnom uvidu
Na površini od preko pet hiljada kvadrata prostiraće se skejt park projektovan tako da bude pogodan za održavanje takmičenja i drugih manifestacija.
Kragujevačka Gradska uprava za imovinske poslove, urbanizam, izgradnju i ozakonjenje oglasila je javnu prezentaciju urbanističkog projekta Sportskog centra 2 sa uslovima za adaptaciju sportskog terena i promenu namene u skejt park.
Nosilac izrade projekta je arhitektonski biro Urban Factory iz Beograda, zahtev za izradu podneo je Grad Kragujevac, Gradska uprava za razvoj i investicije, dok je posao odgovornog urbaniste poveren Miloradu Obradoviću, mast. inž. arh.
Postojeće stanje
Obuhvat i postojeće stanje
Obuhvat urbanističkog projekta nalazi se severozapadno u odnosu na centralno gradsko jezgro, u njegovoj neposrednoj blizini, u okviru ambijentalne celine „Velikog parka“.
U okviru predmetne katastarske parcele nalaze se i uslužni objekat (kafe bar), te montažna letnja pozornica i trafostanica, navodi se u projektnoj dokumentaciji.
U široj okolini, pored parkovskog zelenila, nalazi se i prostor koji obuhvata postojeći kompleks terena za male sportove (dva teniska terena, teren za odbojku na pesku, teren za rukomet/mali fudbal) i objekat boks kluba.
Ukupna površina obuhvata urbanističkog projekta iznosi 9.811 m2, dok je površina predmetne parcele namenjene za izgradnju je 5.551 kvadratni metar.
Planirana namena
Lokacija zahteva uvođenje novih pešačkih koridora kako bi se svi sadržaji objedinili u jednu smisaonu celinu.
Kolski i pešački pristup kompleksu planiran je iz pravca Ulice Kralja Milana IV i Ulice Radoja Domanovića, a posredstvom postojećih i planiranih, pristupnih saobraćajnica i pešačkih komunikacija.
Kompleks je naslonjen na pešačke komunikacije i biciklističke staze iz pravca „Velikog parka“, što mu omogućava nesmetano i kontrolisano punjenje akterima i posetiocima sportsko-rekreativnih događaja.
Lokacija zahteva uvođenje novih pešačkih koridora kako bi se svi sadržaji objedinili u jednu smisaonu celinu, a usled većih okupljanja potrebno je napraviti i plato koji bi mogao da primi više ljudi.
Situaciono rešenje
Promena namene terena za mali fudbal
Rešenje podrazumeva adaptaciju postojećeg sportskog terena za mali fudbal. Asfaltna podloga je usled dotrajalosti prestala da služi nameni i teren poseduje slabu posećenost.
Bez namere da se izlazi iz postojećeg gabarita sportskog terena, planirana je promene namene u skejt park, pri čemu bi sportski teren bio izrađen svojim najvećim delom u koti terena originalne podloge.
Novoprojektovano rešenje od 826 m2 poseduje dva zelena ostrva sa ukupnih 85 m2 prostora u kome je moguće saditi nove sadnice drveća.
Planirani skejt park poseduje noćno osvetljenje sa dva stuba rasvete; Rendering: Urban Factory
Podloga se obrađuje prema najmodernijim zahtevima koji podrazumevaju visok nivo uglačanosti do „crnog sjaja“.
Skejt park poseduje noćno osvetljenje sa dva stuba rasvete i na taj način prostor može da ima i noćne termine za vožnju. Podloga se obrađuje prema najmodernijim zahtevima koji podrazumevaju visok nivo uglačanosti do „crnog sjaja“.
Površina planiranog skejt parka sa korisnom površinom za kretanje iznosi 741 m2. Plato se nalazi u jednostranom padu od 1% prema zelenim površinama.
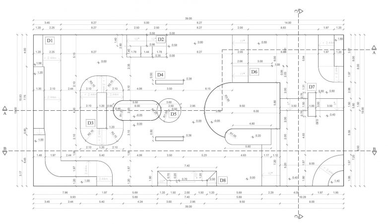
Osnova
Ciklična varijanta kretanja
Za maksimalnu iskorišćenost prostora koristi se ciklična varijanta kretanja u nekoliko linija pri čemu je je korisniku omogućeno kreativno i nesmetano kretanje, navodi se u projektnoj dokumentaciji.
Cikličnu varijantu je moguće koristiti i kao kretanje u „osmici“. Ona se dodatno postiže sa nekoliko pozicija koje omogućavaju tečno kretanje korisnika bez potrebe dodatnog potiska kako bi se ostvarila planirana trajektorija kretanja.
Skejt park spada u srednju veličinu i kao takav zadovoljava najsavremenije kriterijume projektovanja pri čemu je pogodan za održavanje takmičenja i drugih manifestacija. Za ograđivanje objekta ne preporučuje se „čvrsta“ ograda, već ograda u vidu zaštitnog zelenila.
Preseci
Parkiranje se organizuje na postojećim i planiranim javnim parking prostorima u okviru gradskog sportskog centra i u regulaciji obodnih saobraćajnica.
Kolski saobraćajni priključak nije planiran za potrebe objekta čija se izgradnja planira na javnu saobraćajnicu. Parking i javna saobraćajnica se graniče sa obuhvatom Urbanističkog projekta na severnoj strani. Pešačka komunikacija u okviru kompleksa se odvija na pešačkim stazama koje se uređuju sa parternim rešenjem projekta.
Parkiranje se organizuje na postojećim i planiranim javnim parking prostorima u okviru gradskog sportskog centra i u regulaciji obodnih saobraćajnica, prema kriterijumu: 1 PM na 40 gledalaca, odnosno 1 PM na 1 zaposlenog (t.j. 1 PM na 70 m² neto korisne površine).
Parterno uređenje obuhvata reprezentativnu obradu pristupnog platoa (sa elementima mobilijara), uz uklapanje postojeće kvalitetne dendroflore u ambijent, prema uslovima uređenja ambijentalne celine „Veliki park“.
U kompleksu je predviđeno uređenje slobodnih i zelenih površina, u skladu sa planiranom organizacijom kompleksa i trasama podzemnih, internih instalacija, navodi se u UP-u koji je na javnom uvidu do 9. decembra.
客服
消息
收藏
下载
最近








