查看完整案例

收藏

下载

翻译
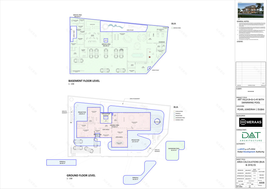
ARETE THE ONE MANSION – B+G+1+Roof | Dubai, UAERole: Design Development ArchitectConsultant: DAT Architecture
Positioned on an exclusive plot in Pearl Jumeirah, this luxury private villa combines contemporary elegance with meticulous technical detailing, ensuring full compliance with Dubai’s building regulations.
The project’s architectural composition integrates:💠 A full basement dedicated to leisure and service functions – including a cinema, karaoke lounge, spa, gym, massage room, garage, and back-of-house facilities.💠 A ground floor that blends formal living and dining areas with functional spaces, featuring dual kitchens, guest accommodation, and direct poolside connections.💠 A first floor hosting multiple ensuite bedrooms with private dressing areas, designed around voids and circulation cores for optimal light and privacy.💠 A roof level offering landscaped terraces, shaded pergolas, an outdoor lounge, and BBQ areas for a premium leisure experience.
As the Design Development Architect, my role encompassed transforming the design intent into a precise, regulation-ready technical package, including:✔ Full authority submissions and compliance with GFA, BUA, and FAR limits✔ Façade detailing, light reflectance value (LRV) compliance, and material specifications✔ Accurate setting-out plans, site integration, and external pavement detailing✔ Cross-disciplinary coordination across structure, MEP, and landscape teams✔ Optimization of circulation, privacy zoning, and glazing-to-wall ratios
Key Project Data:🏗 Configuration: B+G+1+Roof📐 Built-up Area (BUA): 2,883.77 m²📊 GFA (Ground + First + Roof): 926.83 m²🧱 Plot Coverage: 68.1%📍 Location: Pearl Jumeirah, Dubai
This villa represents a seamless balance between technical rigor and luxury living—delivering a high-performance residence that meets Dubai’s authority requirements while enhancing the client’s lifestyle.
#PearlJumeirah #DesignDevelopment #DATArchitecture #DubaiVillas #LuxuryVilla #TechnicalDesign #AuthorityDrawings #RevitExecution #ModernArchitecture #ArchitecturalCoordination #BIMWorkflows #ConceptToReality #PrivateVilla #UAEArchitecture #BehanceArchitecture
客服
消息
收藏
下载
最近



























