查看完整案例

收藏

下载
△ 方案动画
“南库”居住区坐落于高碑店市老城中心,团结西路西口与107国道交汇处,被团结西路自然分割为南北两个不规则地块,包括一期用地面积22842.39㎡,二期用地面积5120㎡,三期用地面积12670㎡。地块交通发达,但缺乏统一管理,违章停车现象比较严重,原有建筑外观陈旧。
△ 项目区位与建筑原貌
为打造一个深受群众喜爱、高性价比、高品质的升级版小区,树立高碑店市住宅建设新典范,我们荣幸地接受业主委托承担了总体规划及一、二期规划建筑设计任务,圆满完成了这一旧城改造与地产开发相结合的特殊案例。
△ 夜景鸟瞰
“南库”居住区从规划之初就摒弃了传统居住区的单一与封闭,转而追求一种开放、融合、共享的生活方式。在这里,均好性被赋予了全新的内涵,它不仅仅体现在物理空间的均衡分布上,更在于居住资源的公平享有、生活品质的全面提升。
考虑到不规则的用地特征,我们提出“一轴两区,多组团”的总体规划构想,就是利用一条精心规划的商业轴线,将原本分散且形态各异的地块有机整合,形成了南北两个既独立又相互呼应的居住组团。
△ 一二期彩色总平面图
小区的道路系统由车行与步行两大体系组成。四个主要出入口分别位于商业街道路的两侧。在设计初期通过多次比对分析,最终采用两个地块各自环绕的主干道布局,来优化各区域的交通组织。
为解决停车难题,小区配备了两个大型的地下停车库,这些设施能够容纳绝大多数的停车需求。剩余的少量停车需求,则通过地面停车位来灵活解决。
△从团结西路远眺小区
△ 道路与停车系统分析
△ 位于团结西路上的小区主入口
基于地块形态与道路网络,我们规划出一系列高层住宅建筑群,在高效利用土地资源的同时,高度重视社区空间的健康与美观。
设计秉持“均好性”理念,合理利用环境资源,特别强调居住日照与朝向的均衡性,注重内外部环境的相互贯通,避免住宅间的相互遮挡,确保每户通风采光良好,视线通透。
△ 日照分析与建筑布局
而共享,则是“南库”居住区规划中的另一大亮点。公共空间以尺度适宜、围合感强的庭院设计为主,鼓励人们进行公共交往与户外活动,而不受汽车和自行车干扰。这样的场地被重复布置,产生了强烈的韵律感,也获得了空间分布上的均好。
商业主要布局在商业街区域,小区内部则免于商业设置,这样能够促进商业良好发展,实现资源的集中优化。
△ 公共活动场地的围合感
小区将几处开阔的集中绿地与大量分散的小型绿地结合布置,宅前景观着力打造利于身心健康的生态环境和场所;宅间景观则将带状绿化与步行系统结合,每一座院落、每一户住宅、每一面窗前,获得共享,诠释了“均质性景观”的设计理念。
社区环境的整体氛围同样受到关注,特别打造舒适的步行路径和道路配套设施,包括宽阔平坦的人行道、清晰的人行横道、精致的街道镶边石、成荫的行道树、休憩长椅、信息指示牌以及高效节能的户外照明系统。
△ 从高空俯瞰宅间景观
住宅单元为两梯四户布局,确保每户至少拥有两个南向开间,充分享受自然光照。户型设计借鉴西方设计理念,强调起居室、餐厅及公共活动区的重要性,确保居寝分离、动静分区,营造出色的私密性环境。
建筑立面融合地方文化精髓和现代建筑语言,从而实现整体风貌的和谐统一。在住宅与底商的设计中,通过建筑色彩、阳台形态、窗户样式及建筑材料质感的变化,营造出差异性与丰富性。
△ 高层住宅立面
商业街设计延续景观意境,运用轴线对称布局,设计理念紧扣店铺特色,建筑功能性入口通过雨篷或骑楼加以区分。
通过局部空间的扩展,构建集购物、休闲、餐饮于一体的多功能空间,这些高效集散区域不仅有效满足了行人通行的需求,而且在空间序列的转换中发挥着关键作用,既彰显建筑的独特风格与气势,更是融合开放的公共休憩区,吸引人们驻足停留。
△ 商业街夜景
< 部分
设计图纸 >
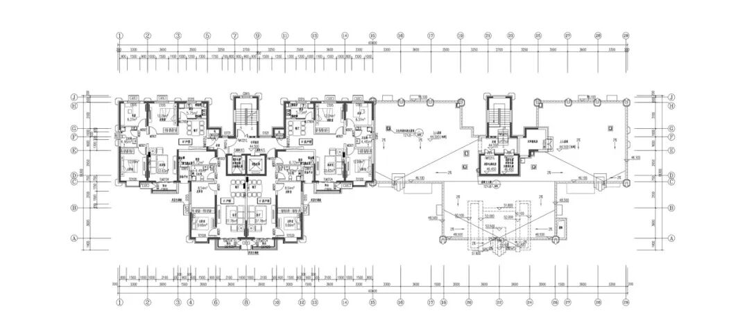
△ A-3#住宅四-十五层平面图
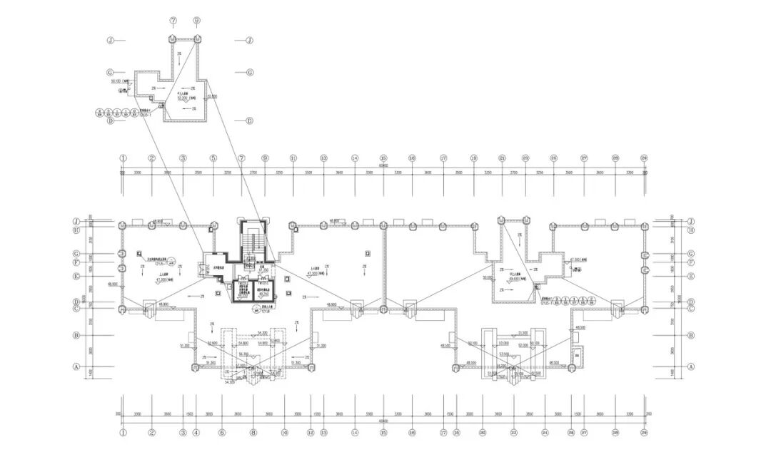
△ A-3#住宅十六层平面图
△ A-3#住宅机房层、屋顶层平面图
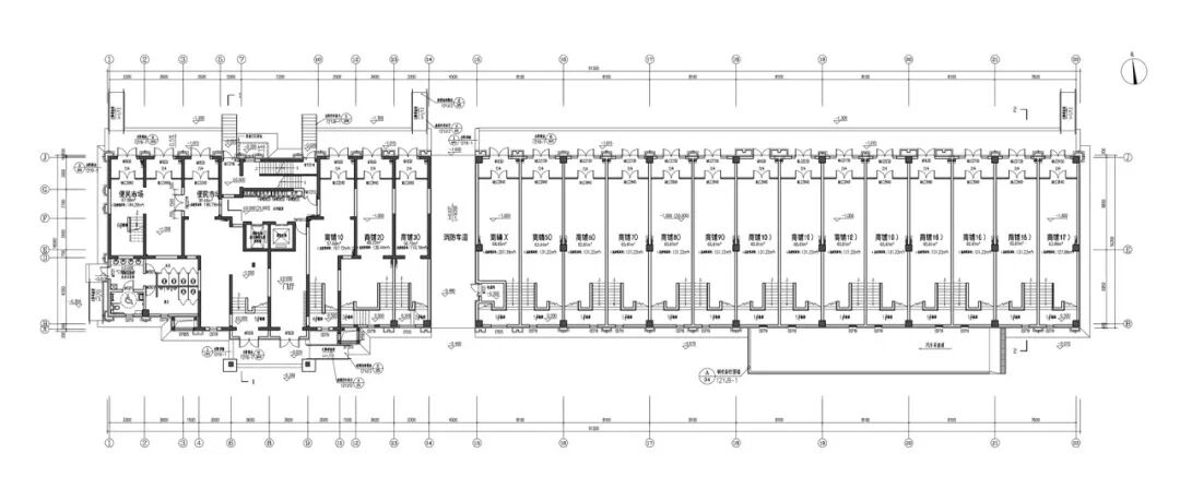
△ B-1#商业首层平面图
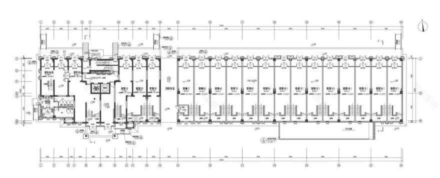
△ B-1#商业二层平面图
△ 地下车库平面图
完整项目信息
项目名称
高碑店市“南库”居住区总体规划及一、二期规划建筑设计
项目类型
住宅
项目地点
河北省高碑店市
项目状态
已完成
设计时间
2015年
设计阶段
方案
设计、初步设计、施工图设计
主创建筑师
高强
方案设计团队
王双 刘文娜 曹海静 李世然
施工图设计团队
吴迪
刘莎
郭金娜 许宁
建筑面积
一期88555平方米,二期20849平方米
业主
河北家兴商贸集团有限公司
建筑
•
新纪元
设计
•
新生活
建筑设计 城市更新 室内精装
精品景观 文旅规划 机电顾问
官方网站
客服
消息
收藏
下载
最近






















