知末
知末
创作上传
VIP
收藏下载
登录 | 注册有礼

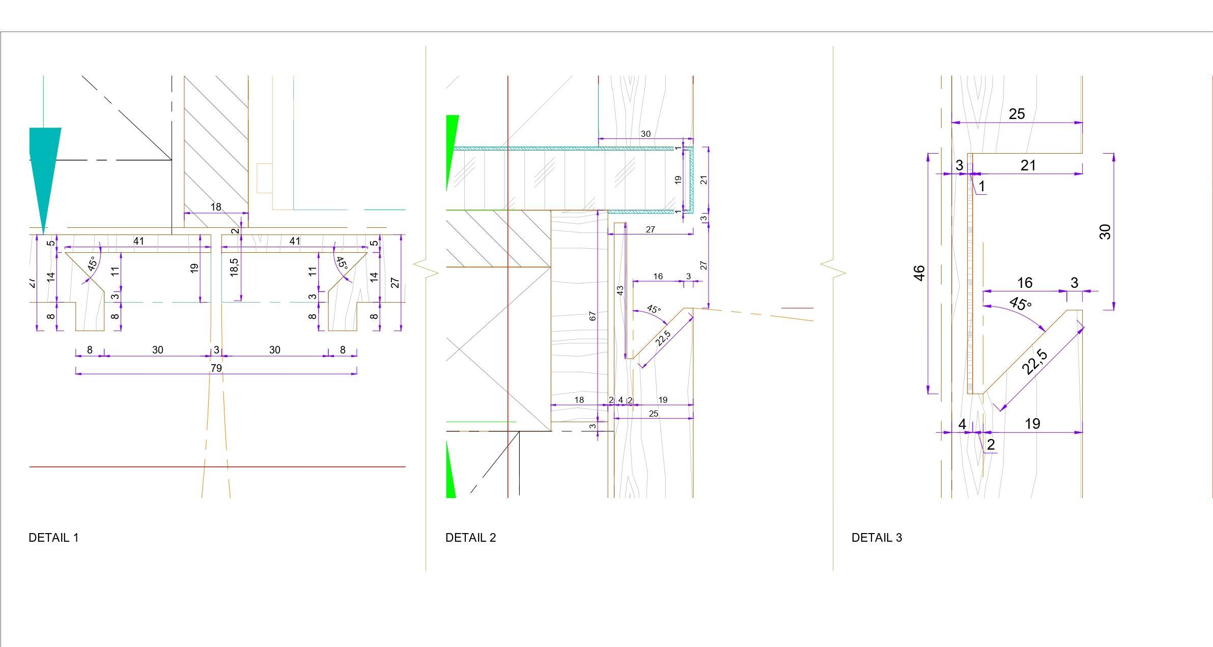
CUISINE INOX _ CHENE

2025/11/16 21:37:26
查看完整案例
微信扫一扫
收藏
下载
翻译
PROJECT CUISINE 75008, PARIS
CUISINE INOX _ CHENE-1
CUISINE INOX _ CHENE-2
CUISINE INOX _ CHENE-3
CUISINE INOX _ CHENE-4
CUISINE INOX _ CHENE-5
CUISINE INOX _ CHENE-6
CUISINE INOX _ CHENE-7
CUISINE INOX _ CHENE-8
CUISINE INOX _ CHENE-9
CUISINE INOX _ CHENE-10
CUISINE INOX _ CHENE-11
CUISINE INOX _ CHENE-12
CUISINE INOX _ CHENE-13
CUISINE INOX _ CHENE-14
南京喵熊网络科技有限公司 苏ICP备18050492号-4知末 © 2018—2020 . All photos and trademark graphics are copyrighted by their owners.增值电信业务经营许可证(ICP)苏B2-20201444苏公网安备 32011302321234号
客服
消息
收藏
下载
最近