查看完整案例

收藏

下载

翻译
Дано: участок 8 соток , с перепадом высот до 3 метров, с елями и соснами без инфраструктуры.
По проекту вертикальной планировки создан рельеф участка. Спроектирован дом и посажен на рельеф.
Заказчику были предложены два эскиза. На основании его выбора создан данный концептуальный проект. с визуализацией основных объектов.
Нумерация композиций . Дендроплан первой композиции.
Дендроплан второй и третьей композиции.
Дендроплан четвертой, пятой , шестой композиции,
Дендроплан седьмой ,восьмой,девятой композиции.
Фотоаналоги растений.
Фотоаналоги растений.
Визуал проекта.
Визуал проекта.
Итоговая ведомость растений и рекомендуемый размер покупки.
Рабочая документация. Разбивочный чертеж,схема дренажа.
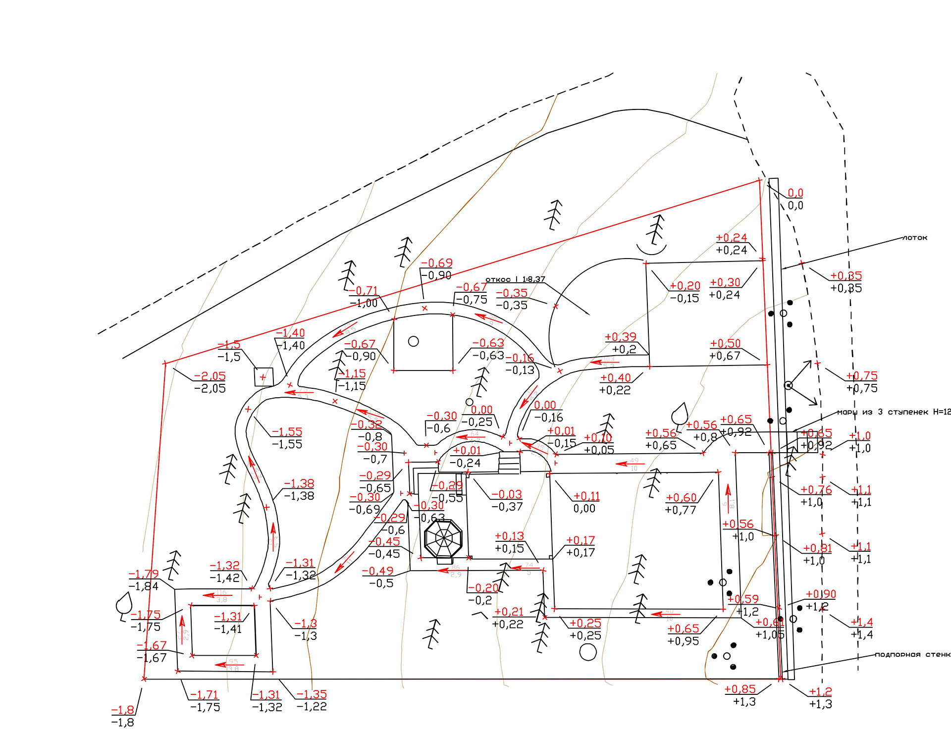
Рабочая документация. Вертикальная планировка и ведомость замены грунта.
Рабочая документация . Схема освещения ,спецификация элементов освещения.
Рабочая документация . План покрытий,схема пирогов мощения.
Визуал ландшафтного освещения.
Варианты светильников.
Описание участка и рекомендации.
Устройство рулонного газона.
Коробейникова Татьяна -ландшафтный дизайнер.
Если вам понравился проект или вы хотите воплотить нечто подобное на своем участке свяжитесь со мной:
Telegram
VK
MAX
客服
消息
收藏
下载
最近




































