查看完整案例

收藏

下载

翻译
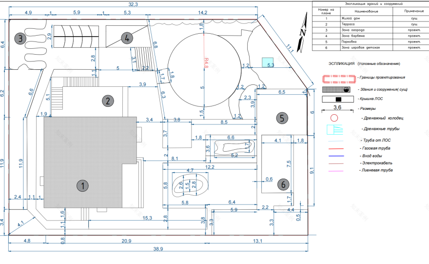
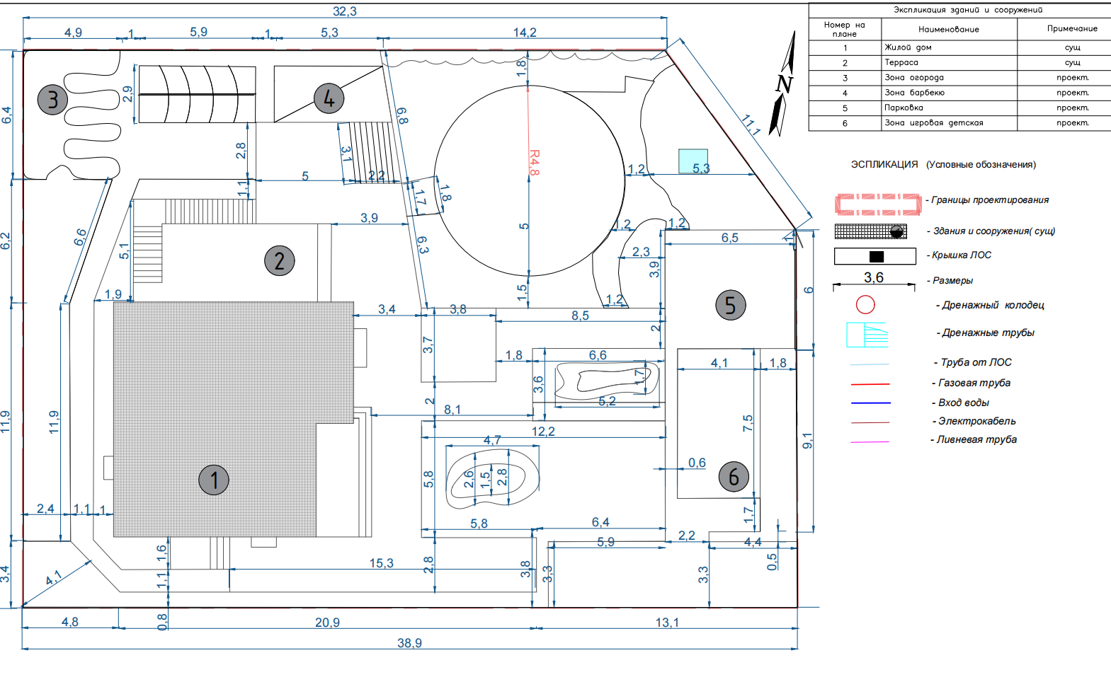
Проект частного сада ''Модерн-холм''
Проект был разработан в 2022 г. Местоположение-С-Пб, Ленобласть(Касимово). Направление стилистики сада, задал дом на участке, в современном стиле .
Задачей проекта было создать функциональное пространство территории , которое отвечает интересам жителей дома.
Ассортимент растений подбирался по климатической зоне, по критерию устойчивости к вредителям и по декоративности 4 сезона.
Визуализация в Lumion,SketcUp
Рабочая документация в AutoCad
客服
消息
收藏
下载
最近
















