查看完整案例


收藏

下载
如何让一幢房子焕发新生命?
01
.
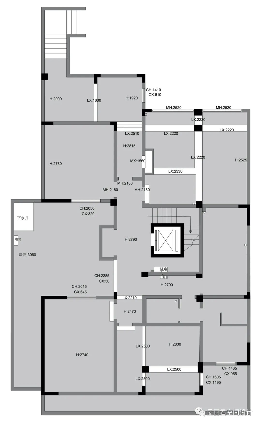
一层空间
一层原始结构:
南北双入户
门厅,南侧为全开放式空间,中间电梯+楼梯
,北侧为餐厅+
厨房
+双
过
道;
定稿平面:
南侧区域保留门厅及客厅,间隔出一间客房(老人房)带衣帽间,北侧将小厨房及过道合并,做为中西双功能的厨房;
02
.
二层空间
二层
原始结构:二楼北侧原为套房设计,卫生间15平方,尺寸分布不合理
;南侧为大客厅及小卧室,带公用卫生间;主卧室功能存在明显不合理;
定稿平面:
将整个二楼墙体全部拆除,重组为三个套房:
主卧室选取南侧最大空间,改造一间主卫及衣帽间;北侧套房为二儿子房间
(卧室+卫+衣帽间+书房)
;南侧小套房小女儿房
(卧室+卫+衣帽间)
;
03
.
三层空间
三层原始结构:三楼南侧为一间小起居室,两个大露台;北侧和二楼相同的卧室;
定稿平面:
三楼为成年的大儿子空间,南侧起居室,东侧fk露台封闭做储物间+洗衣房+公用卫生间;北侧为卧室套房(卧室+卫+衣帽间+书房);
04
.
负一层空间
负一原始结构:原结构较复杂,多个小功能房,采光位置为正西及东南角;需全部拆除重组;
定稿平面:
除保留原有双车库以外,入口处衣帽间,北侧楼梯下空间做为酒窖;东南角采光处为保姆间,南侧全部打通做健身房;西侧采光区域,大空间为茶室,旁边设棋牌室,过道区做为保姆使用的洗衣房使用;
部分效果SHOW:
项目地址:博兴名人墅
业主:魏总
面积:700平方
建筑:地上三层,地下一层
总设计:孟丽君
助理设计:冯凯 张健民
说明:本案于年初平面定稿,马上进入拆改阶改;效果图深化过程中墙体已完成。整体方案定稿时,同步进行隐蔽施工,现水电暖已全部完成,防水已做好,进入铺砖阶段。整体装修计划于2021年底全部完成。
预约设计请联系:
客服
消息
收藏
下载
最近






















