查看完整案例


收藏

下载
#房屋基本信息
户型:两室两卫一厅
面积:103m²
风格:现代美式轻奢风
位置:上海市浦东新区
屋主需求
1、喜欢美式轻奢风
2、实用性高、储物空间多
3、采光和通风都要好
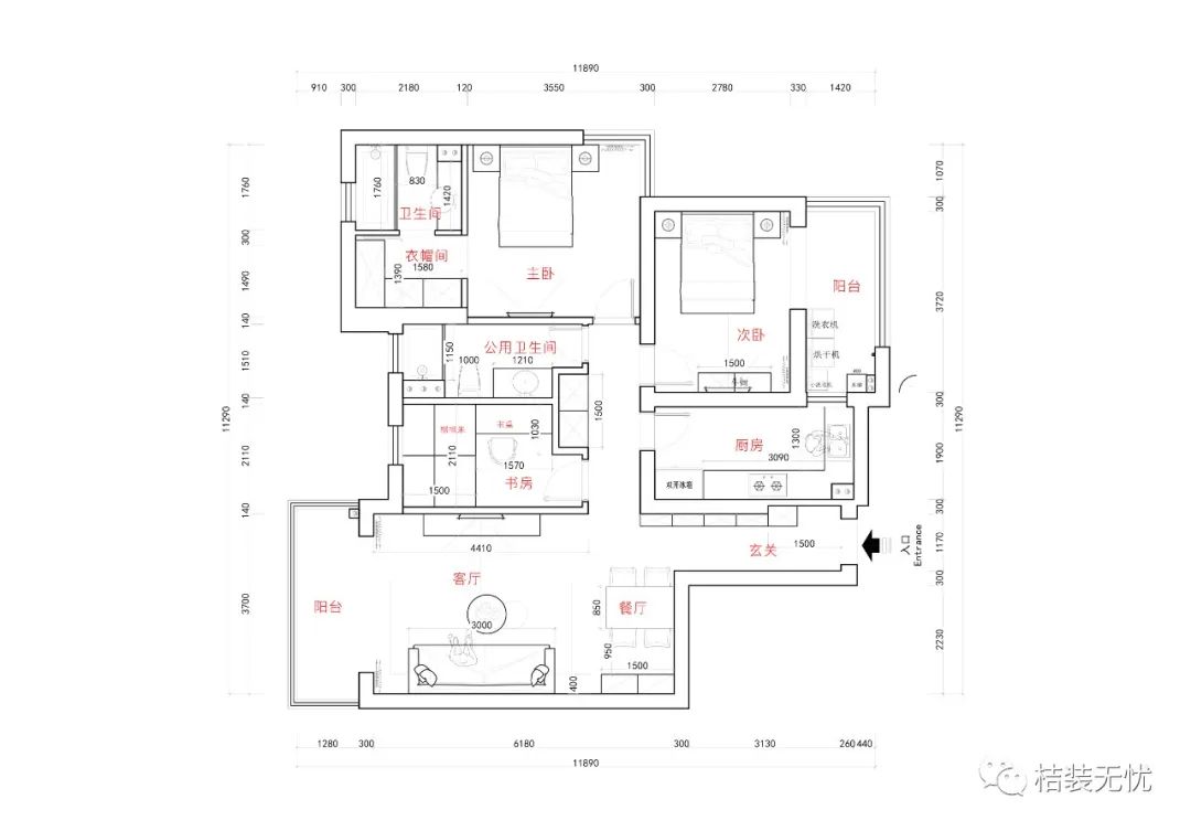
#平面布置图
平面布置图
玄关
家是每个人生活中的避风港湾,拥有一个美观实用的玄关,给家更多温暖。
1. 进门就是雾霾深蓝色甲级防盗门,安全级别最高,给家最好的保护。
2. 右侧是灰色墙面,墙面做了特别设计:先贴好石膏线,再刷灰色乳胶漆,让墙面表现出凹凸的设计感,美观大方~
3. 左侧是灰色定制玄关柜,柜面是多层实木复合板,光泽感强,营造轻奢感。玄关柜收纳强,部分内挖壁龛,放一点小摆件或者钥匙等物品,美观方便。玄关柜装配玄关镜,出门方便检查自己的样子,十分实用!
4. 地板选择白色,天花板也是白色;因为左右都是灰色,为了不让玄关区域太过压抑,所以选择白色提高亮度,并且灰白是经典配色,时尚度高,不易过时~餐厅
玄关左手边就是餐厅。
餐桌桌面选择了白色,配上绿叶白蔷薇,提亮了这处空间,视觉上更明亮,又增添了生机感和素雅感。
蓝色和灰色的绒布餐椅,坐在这吃饭十分舒服。
椅子脚是黄铜色,椅子脚和餐桌脚的金属感强,打造美式工艺感,艺术感强~
餐桌背后靠墙摆放了一张餐边柜,收纳空间很大。餐边柜放一些牛奶和小家电,柜子上还放了一些亮眼的小摆件,增加趣味性~餐边柜摆上一盆大绿植,整个空间都盈满生机感~餐厅墙面石膏线灰色乳胶漆设计,屋内大部分墙面都做了这样的设计,美式感满满客厅
客厅就在餐厅旁边,和餐厅打通,餐厅另一边是阳台。
客厅正中是一套美式轻奢绒布拉扣沙发,坐上去柔软舒适、干净大气,金属沙发腿工艺感足,美式氛围拉满~
客厅背景墙是一整面的石膏线灰色乳胶漆工艺,超有艺术感!
地面铺了一层灰色家用免洗地毯,是现代轻奢风格。地毯质量好,超短毛很好打理,颜色耐脏又好看!地毯可以增强地板的隔音,让客厅活动更随意~
客厅的灯是全铜美式轻奢水晶吊灯,质量很好、颜值非常高、每一片水晶都很亮,整体面的水晶非常好保洁。整体上来看是一款非常沉稳大气的灯具,很搭配这个客厅!
沙发正对面是一整面的雾霾蓝电视背景墙,做了收纳柜设计,增加了超级多的收纳空间!后期会在这摆放上电视,超大电视,超享受!
电视柜选择了白色,白色跟蓝色搭配,既提亮屋内颜色,又显得十分大气~
阳台
阳台在客厅左边,窗帘选择的雾霾蓝颜色,跟电视背景墙颜色统一,让客厅风格不杂乱~阳台选择大面积黑框玻璃窗,窗帘拉开,增加室内采光,让整个空间通透明亮!玻璃窗拉开,房屋的通风与透气非常好!卫生间
这套房子总共有 2 个卫生间,一个是客厅过去的公用卫生间,一个是主卧内的卫生间。
公用卫生间的空间要大一点,是长方形结构。整个空间都铺设白色大方砖,顶部做大白墙设计,整个空间显得更加开阔干净明亮!
卫生间内最里边是淋浴区,接着是马桶区,洗手台区。淋浴区花洒是金色复古挂墙式,又高级又有分量感,全铜质感拿在手上感觉非常好!淋浴区做挡水条设计,淋浴时不会让水溢出到马桶区,可以保持卫生间的干燥,防滑防摔!智能马桶非常方便!上方是和花洒一套的毛巾架,单层毛巾架更实用,不会像双层毛巾架那样里边那层经常掉毛巾。
洗手台一半做洗手池,台下盆清理卫生无死角;一半空间留作台面,不管是洗漱用品还是日常洗澡放置干衣物都非常方便!金色黄铜把手轻奢艺术感十足。洗手台下收纳柜收纳多,卫生间一些消耗品可以收纳在这里。洗手台右边靠近马桶区的区域还内挖了一个壁龛设计,纸巾可以放在壁龛里,拿取非常方便,也不用担心沾水淋湿!洗手台上方做镜柜设计,没打开时当镜子使用,打开时可以收纳物品,实用且美观!
另外一个卫生间位于主卧内,一起来看看它和公用卫生间的设计差别吧!
主卧卫生间:
主卧卫生间与主卧其它区域用长虹玻璃门做分割,隐私性好,采光强~与公用卫生间不同,主卧卫生间面积较小。主卧卫生间的地面和墙壁都选择了浅灰色裂纹地砖,但是这里大面积灰色砖并不会让空间变沉闷。为什么呢?
一般来说,小空间选择深色系砖会让空间变暗,但在这里,这种灰色比较浅,并且这里留了一扇窗,增加采光;另外这里小空间内的主要物件,如洗手池、马桶、浴缸和天花板都是大面积的白色,中和了灰色带来的黯淡感~
同时,这里的洗手池柜比公用卫生间的要小,这让整个空间变得宽阔了许多~
浴缸旁留了手掌宽的长区,可以放沐浴乳或者香皂,非常方便!
洗手池选择圆盆,非常美观~上方是和公用卫生间一样的镜柜,增加主卧卫生间的收纳能力!
主卧
衣帽间:
从主卧卫生间出来就是衣帽间,衣帽间同样位于主卧内。
一整套的胡桃木衣柜,内敛有格调!
玻璃门做柜门,会让这处小空间变得更大~
衣帽间地面和主卧地面一样,用多层实木复合地板通铺,温润自然~
主卧:
主卧墙面刷的雾霾蓝色乳胶漆,配上白色天花板,加上房间内的金色家具元素,轻奢华丽感油然而生!
大面积的玻璃窗设计,保证主卧的采光充足!蓝色和白色的窗帘,分别起遮光遮阳的作用,白色遮阳,蓝色遮光,满足户主的不同需求~
床头灯是美式轻奢全铜水晶纹吊灯,灯具质量有保证,水晶通透漂亮,好打扫!
次卧
次卧两盏床头吊灯跟主卧的相同,在这里营造对称美感~
次卧内有一个阳台,洗衣机烘干机和水槽都放置在这。洗衣服非常方便。阳台大面积的玻璃窗让次卧采光非常好。窗帘部分和主卧一样,蓝白色窗帘,美观又实用~厨房
厨房是 L 型厨房,一边长一边短,长短比例合适,可以合理分配厨房的功能区域。洗菜、切菜、炒菜,摆放分区明确,使用方便。洗碗池的水龙头是抽拉式水龙头,可以把水龙头拉出来冲洗,非常方便清理整个洗碗池。洗碗池上方墙面做了一个悬挂式置物架,厨房刀具挂在这非常方便~厨房地面和墙面都选用灰色地砖,非常耐脏!台面选择白色石英石台面,牢固好清理,材质健康!上方橱柜收纳空间大~黄铜色柜面打造复古奢华感~下方洗碗机嵌入,节省空间,提高空间利用效率~冰箱放在厨房入口,宝蓝色冰箱柜门与橱柜撞色,设计大胆又新潮!
今天的分享就到这里~
实拍装修案例分享、老房翻新、旧房改造、新房装修、您的一切家装疑虑困惑、都欢迎后台留言或私信小编~~
点击
【阅读原文】
即可在线一键预约
免费量房+免费报价+无增项
往期推荐
任务吗裂变宝是什么?
桔装无忧,助您装修无忧~
客服
消息
收藏
下载
最近









































