查看完整案例


收藏

下载
随着城市人口老龄化不断增多,当代人对于品质生活的要求逐渐提高,养老公寓的需求逐年上升。
而现有大量老年公寓仅仅提供有限的单一空间,满足普通居住需求,忽略了老年人的生活体验和精神需求。
该项目旨在为了当下老年人的居住生活注入活力和提供便利。
As the quantity of the urban population is increasing, and the demand of people for quality of life has gradually increased, so the demand for pension apartments has increased year by year. However, the large number of elderly existing apartments only provide limited single space to meet the needs of ordinary living and neglect the life experience and spiritual needs of the elderly. As the result, the project aims to inject vitality and convenience into the lives of the elderly.
▼ 公寓中心休闲区Apartment center leisure area
北京邻里家老年公寓原有空间老旧,旨在重新定义养老公寓的概念,面积4500平米。
设计希望满足“鲜活、当下、共享、舒适”的需求,让老人能在公寓内找到家的舒适,感受到朋友的陪伴,拥有悉心的照顾和体验当下年轻人的活动。
通过对内外空间、声光效果和需求的综合控制,使整体空间得到最佳和最大化的运用,成为老年人第二生活空间的最佳选择。
整个设计大面积使用绿色元素,在中心区域上做了挑空,使空间感达到最佳。
Beijing's neighborhood elderly apartment is designed to redefine the concept of an old-age apartment in order to change the condition of old and poor, which is 4,500 square meters. Design hopes to meet ‘lively, modern, share, comfortable’ needs,which help the old man can find a comfortable feeling like home in the apartment , feel the company of friends, have a little tender loving care and experience young people's activities. Through comprehensive control of internal and external space, sound effect and demand, the overall space is optimized and maximized, which is the best choice for the second living space of the elderly.The whole design has used many green elements, and the center space has carried empty to make the space feel the best.
▼ 一楼水吧休闲区The first floor water bar leisure area
在三楼空间上,我们把原有室外空间和室内空间融合,加大公共区域,使得空间感受更开阔。
同时,把景观引入室内,使得整个空间更雅致。
In the third floor space, we integrate the original outdoor space and indoor space, enlarge the public area, make the space feel more open. At the same time, we bring the landscape in to make the whole space more elegant.
▼ 三楼平面图 Floor plan on the third floor
▼ 三楼新建区域
公寓设有规范化前台,更好地照料老人起居。
考虑到老年人的各种身体情况,根据不同需要配备不同的设备。
The apartment has standardized front desks to look after the elderly better. Considering the various physical conditions of the elderly, different equipment should be provided according to different needs.
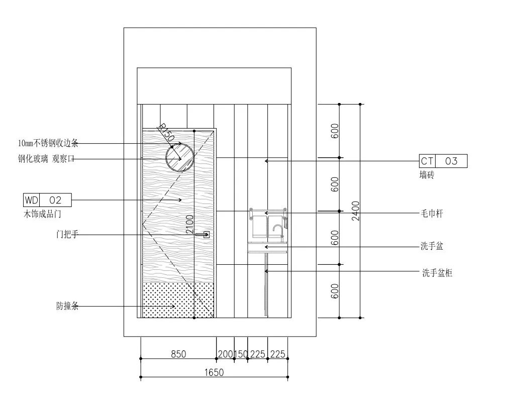
▼ 适老策略 Strategy
1. 房间入口设置储物空间,并且设置随手零碎物件的储物台,设置开放式挂衣间,方便老年人入门口放置衣物。
2. 设置方便老年人入门打开卧室灯和储物台顶侧灯带的开关,它的位置根据老年人实际情况设置,比正常人高度较低,距地面距离在90CM 处,洗手间门把同理。
3. 在入口处下侧储物柜底部设置放置拖鞋处,方便老年人进屋后换鞋。
其高度根据老年人站立能看到拖鞋为依据,距离地面30CM 高。
4. 在拖鞋放置处的内侧设置灯带,提供照明作用,更加方便和醒目。
5. 卫生间门上在距离地面1.75M的地方设置圆形观察窗保证老年人使用卫生间的隐私。
如果老年人在卫生间反锁的情况下发生意外,也方便护工在踮脚的情况下查看情况。
6. 卫生间淋浴部分,考虑到老年体力较弱,故设置了可以收起和放下的活动式座椅和辅助扶手,方便老年人在淋浴时坐下使用并安全地站立起来。
7. 可折叠式座椅在平时不使用时可以贴墙树立,保证洗手间的空间足够轮椅在内部自行转动,方便乘坐轮椅的老年人。
8. 电视柜搞定设置85CM,方便老人扶住站立和行走,并且在边角处都做了圆角处理,防止磕碰老人。
1. We set up storage space at the entrance of the room, a storage platform with random objects, and the open clothing room so as to provide convenience for the elderly to place clothing.
2. We set switch provide convenience for the elderly to open the bedroom lights and storage platform top side belt, it is arranged according to the actual situation of the elderly, lower than normal height, the distance from the ground at 90CM, Restroom knob is the same way.
3. Place the slippers at the bottom of the storage cabinet at the bottom of the entrance, so that the elderly can change their shoes after entering the house. Its height is based on the ability of the elderly to see the slipper, which is 30CM above the ground.
4. It is more convenient and eye-catching to set the lamp belt on the inside of the slippers.
5. The bathroom door has a circular observation window at 1.75M from the ground to ensure the privacy of the elderly. If the elderly in the condition of restrooms in the toilet accident, it is convenient for the maintenance worker to see the situation on tiptoe.
6. Considering the elderly physical strength is weak, so we set up the chair and auxiliary armrest which can be folded up and put down in the bathroom shower part. It is convenience for the old people sit down in the shower and safely to stand up.
7. Folding seats can be erected when it is not in use at ordinary times, ensuring the space in the washroom is enough for the wheelchair to rotate internally for the convenience of the elderly in wheelchairs.
8. The TV cabinet can set up 85CM so that the elderly can support the standing and walking. Besides, at the corner, we make rounded corners to prevent them from touching the elderly.
▼ 细节设计Detail design
▼ 其他空间 Other Spaces
▼ 其他平面方案 Other Floor Plans
设计单位:
北京大观建筑设计
项目地址:
北京
项目类型:
公寓
改造建筑面积:
约4500平米
设计时间:
2017年
设计团队:
申江海 任晓伟 许云飞
Architects: DAGA Architects
Location: Beijing, China
Type: Apartment
RenovationArea: 4500 ㎡
Project Year: 2017
Architect in Charge: Bear Shen, Xiaowei Ren, Yunfei Xu
【北京】北京市东城区东四九条88号共享际
【上海】
上海徐汇区新乐路134弄2号新乐优客工场
【成都】成都市锦江区月季街268号1011室
010-86093604
客服
消息
收藏
下载
最近

































