查看完整案例

收藏

下载
通过色彩、材质、造型和比例的微妙变化,
设计师为室内注入全然的自由与放松,无须任何心机,
不用太多哲理,有的只是娓娓道来的从容不迫和脚踏实地的蒸腾暖意,犹如平明炊烟起,也似暮色照大地
一一
一场实实在在的生活体验。
1
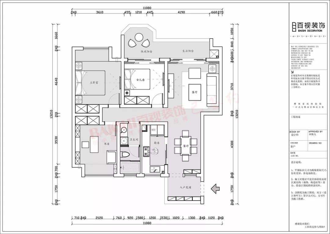
设计师:张敬银
户型:112m²
楼号:24号楼
装修风格:中式风格
— B A I S H I D E S I G N —
张敬银
I 首席设计师
▼原始户型图
▼平面布局图
▼设计效果图
2
设计师:贺晓云
户型:126m²
楼号:7号楼
装修风格:中式风格
— B A I S H I D E S I G N —
贺晓云
I 设计总监
▼原始户型图
▼平面布局图
▼设计效果图
3
设计师:李纪璐
户型:137m²
楼号:8号楼
装修风格:北欧风格
— B A I S H I D E S I G N —
李纪璐
I 设计总监
▼原始户型图
▼平面布局图
▼设计效果图
谢 谢 翻 阅 │ 欢 迎 分 享
B A I S H I D E S I G N
查 看
更 多
案 例
│
预 约 设 计 师:
180-5530-6614
回复
“
贵
”
即可订阅您家同一户型案例、效果。
(针对有装修需求的您:我们会根据你提供的信息,安排做过您家楼盘的设计师,为您提供户型规划以及装修预算,帮您解决装修中所遇到的诸多问题)
安
徽百视装饰总部
地址:镜湖区黄山东路与弋江中路交口绿地新都会一期B栋LOFT商铺三楼306-318号。
百视装饰名家设计会所
地址:芜湖市新时代商业街7-63#(光大银行旁)。
百视七方设计
地址:
伟星·快慢里商业中心S7-14号。
感谢您对我们的关注!百视装饰芜湖16年!服务江城名流生活!
点击阅读原文预约设计师
客服
消息
收藏
下载
最近




























